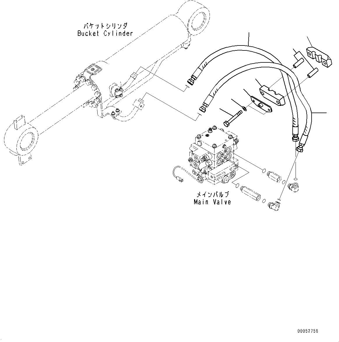
Запчасти Komatsu WA430-6 ГИДРОЛИНИЯ, ГИДРОЦИЛИНДР КОВША ТРУБЫ (№-) ГИДРОЛИНИЯ, 2-Х СЕКЦИОНН.

Схема запчастей Komatsu WA430-6 - ГИДРОЛИНИЯ, ГИДРОЦИЛИНДР КОВША ТРУБЫ (№-) ГИДРОЛИНИЯ, 2-Х СЕКЦИОНН.
1
2
3
5
7
6
3
4
FIT
1:1
100%

Артикул

Название

Примечание

Количество

1

424-62-43960

Hose

SN: 65501-UP

1шт.

2

423-62-35330

Hose

SN: 65501-UP

1шт.

3

423-62-34170

Rubber

SN: 65501-UP

2шт.

4

419-62-13440

Spacer

SN: 65501-UP

2шт.

5

424-62-43950

Plate

SN: 65501-UP

1шт.

6

01011-D1220

Bolt

SN: 65501-UP

2шт.

7

01643-71232

Washer

SN: 65501-UP

2шт.

Выбрано товаров: 0