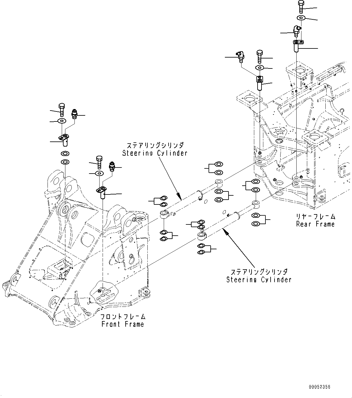
Запчасти Komatsu WA430-6 ЦИЛИНДР РУЛЕВ. УПР-Я, ПАЛЕЦ (№-) ЦИЛИНДР РУЛЕВ. УПР-Я

Схема запчастей Komatsu WA430-6 - ЦИЛИНДР РУЛЕВ. УПР-Я, ПАЛЕЦ (№-) ЦИЛИНДР РУЛЕВ. УПР-Я
4
1
3
3
1
4
8
4
7
2
3
8
7
4
3
2
5
6
6
6
6
5
5
5
FIT
1:1
100%

Артикул

Название

Примечание

Количество

1

423-46-21180

Pin

SN: 65501-UP

2шт.

2

423-46-21180

Pin

SN: 65501-UP

2шт.

3

01010-81220

Bolt

SN: 65501-UP

4шт.

4

175-54-34170

Washer

SN: 65501-UP

4шт.

5

416-70-11351

Shim, T=1.0mm

SN: 65501-UP

8шт.

5

424-46-12541

Shim, T=0.5mm

SN: 65501-UP

8шт.

6

423-46-22171

Shim, T=1.0mm

SN: 65501-UP

8шт.

6

423-46-22181

Shim, T=0.5mm

SN: 65501-UP

8шт.

7

423-09-12110

Connector

SN: 65501-UP

2шт.

8

07020-00675

Fitting, Grease

SN: 65501-UP

2шт.

Выбрано товаров: 0