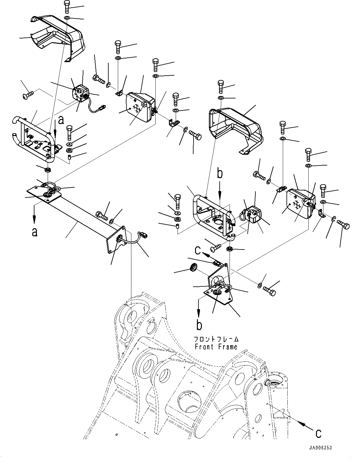
Запчасти Komatsu WA430-6 ПЕРЕДН. ОСВЕЩЕНИЕ (№-) ПЕРЕДН. ОСВЕЩЕНИЕ, БЕЗ ПЕРЕДН. ЛАМПА РАБОЧ. ОСВЕЩЕНИЯ

Схема запчастей Komatsu WA430-6 - ПЕРЕДН. ОСВЕЩЕНИЕ (№-) ПЕРЕДН. ОСВЕЩЕНИЕ, БЕЗ ПЕРЕДН. ЛАМПА РАБОЧ. ОСВЕЩЕНИЯ
36
37
39
40
48
49
53
54
55
56
57
58
45
44
43
41
42
59
52
47
51
50
63
64
39
40
51
50
38
62
60
20
19
18
15
13
12
11
10
9
30
31
8
7
6
4
5
7
19
18
8
32
26
27
28
16
17
25
24
23
22
21
65
29
66
14
1
1
3
2
66
65
33
34
61
33
35
46
FIT
1:1
100%

Артикул

Название

Примечание

Количество

1

424-06-43151

Wiring Harness

SN: 65662-UP

1шт.

2

424-06-43112

Support

SN: 65662-UP

1шт.

3

08037-03620

Grommet

SN: 65662-UP

1шт.

4

423-06-43130

Bracket

SN: 65662-UP

1шт.

5

421-06-23552

Plate

SN: 65662-UP

1шт.

6

421-06-23630

Plate

SN: 65662-UP

1шт.

7

01010-81025

Bolt

SN: 65662-UP

2шт.

8

01643-31032

Washer

SN: 65662-UP

2шт.

9

417-54-13470

Spacer

SN: 65662-UP

3шт.

10

419-43-17930

Cushion

SN: 65662-UP

3шт.

11

415-64-13130

Cushion

SN: 65662-UP

3шт.

12

419-43-17920

Washer

SN: 65662-UP

3шт.

13

01010-81250

Bolt

SN: 65662-UP

3шт.

14

08037-03614

Grommet

SN: 65662-UP

1шт.

15

424-06-43211

Lamp

SN: 65662-UP

1шт.

16

424-06-23220

Lens, Clear

SN: 65662-UP

1шт.

17

424-06-23230

Bulb, 75/70watt

SN: 65662-UP

1шт.

18

01010-80825

Bolt

SN: 65662-UP

2шт.

19

01602-20825

Washer

SN: 65662-UP

2шт.

20

424-06-43221

Lamp

SN: 65662-UP

1шт.

21

41G-06-13210

Lens, Orange

SN: 65662-UP

1шт.

22

41G-06-13220

Lens, Orange

SN: 65662-UP

1шт.

23

41G-06-13230

Bulb, 5watt

SN: 65662-UP

1шт.

24

08105-12420

Bulb, 25watt

SN: 65662-UP

1шт.

25

01220-40425

Screw

SN: 65662-UP

4шт.

26

421-06-23611

Cover

SN: 65662-UP

1шт.

27

01010-80616

Bolt

SN: 65662-UP

5шт.

28

01643-30623

Washer

SN: 65662-UP

5шт.

29

04434-51010

Clip

SN: 65662-UP

1шт.

30

04434-50610

Clip

SN: 65662-UP

1шт.

31

01010-80820

Bolt

SN: 65662-UP

1шт.

32

01643-30823

Washer

SN: 65662-UP

1шт.

33

424-06-43151

Wiring Harness

SN: 65662-UP

1шт.

34

424-06-43122

Support

SN: 65662-UP

1шт.

35

08037-03620

Grommet

SN: 65662-UP

1шт.

36

423-06-43140

Bracket

SN: 65662-UP

1шт.

37

421-06-23552

Plate

SN: 65662-UP

1шт.

38

421-06-23640

Plate

SN: 65662-UP

1шт.

39

01010-81025

Bolt

SN: 65662-UP

2шт.

40

01643-31032

Washer

SN: 65662-UP

2шт.

41

417-54-13470

Spacer

SN: 65662-UP

3шт.

42

419-43-17930

Cushion

SN: 65662-UP

3шт.

43

415-64-13130

Cushion

SN: 65662-UP

3шт.

44

419-43-17920

Washer

SN: 65662-UP

3шт.

45

01010-81250

Bolt

SN: 65662-UP

3шт.

46

08037-03614

Grommet

SN: 65662-UP

1шт.

47

424-06-43211

Lamp

SN: 65662-UP

1шт.

48

424-06-23220

Lens, Clear

SN: 65662-UP

1шт.

49

424-06-23230

Bulb, 75/70watt

SN: 65662-UP

1шт.

50

01010-80825

Bolt

SN: 65662-UP

2шт.

51

01602-20825

Washer

SN: 65662-UP

2шт.

52

424-06-43221

Lamp

SN: 65662-UP

1шт.

53

41G-06-13210

Lens, Orange

SN: 65662-UP

1шт.

54

41G-06-13220

Lens, Orange

SN: 65662-UP

1шт.

55

41G-06-13230

Bulb, 5watt

SN: 65662-UP

1шт.

56

08105-12420

Bulb, 25watt

SN: 65662-UP

1шт.

57

01220-40425

Screw

SN: 65662-UP

4шт.

58

421-06-23621

Cover

SN: 65662-UP

1шт.

59

01010-80616

Bolt

SN: 65662-UP

5шт.

60

01643-30623

Washer

SN: 65662-UP

5шт.

61

04434-51010

Clip

SN: 65662-UP

1шт.

62

04434-50610

Clip

SN: 65662-UP

1шт.

63

01010-80820

Bolt

SN: 65662-UP

1шт.

64

01643-30823

Washer

SN: 65662-UP

1шт.

65

01010-81230

Bolt

SN: 65662-UP

6шт.

66

01643-31232

Washer

SN: 65662-UP

6шт.

Выбрано товаров: 0