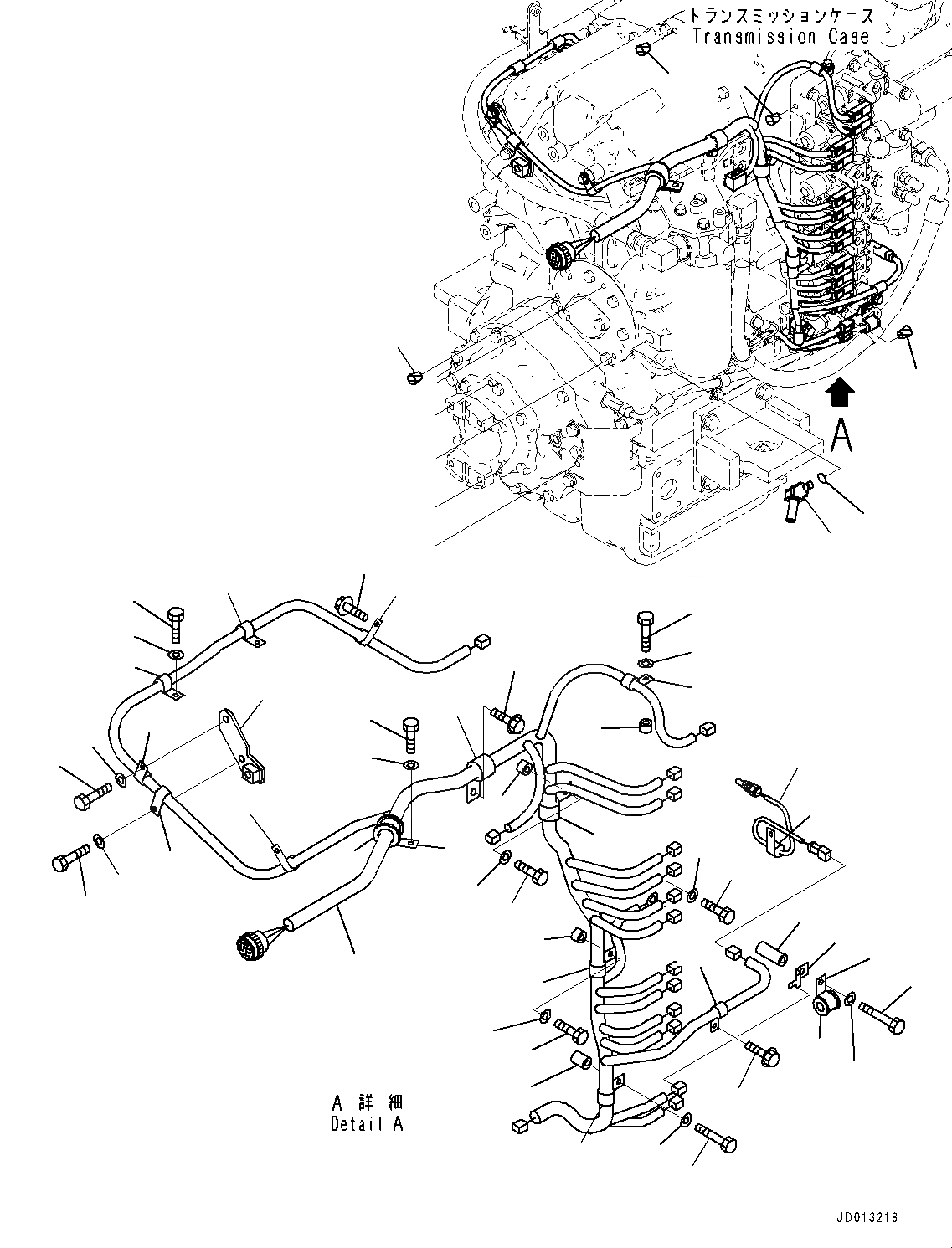
Запчасти Komatsu WA430-6 ГИДРОТРАНСФОРМАТОР И ТРАНСМИССИЯ, АКСЕССУАРЫ (/) (№-) ГИДРОТРАНСФОРМАТОР И ТРАНСМИССИЯ, БЕЗ ЭКСТРЕНН. РУЛЕВ. УПРАВЛЕНИЕ, ДЛЯ MACHINE С БЛОКИР.UP ТИП ГИДРОТРАНСФОРМАТОР

Схема запчастей Komatsu WA430-6 - ГИДРОТРАНСФОРМАТОР И ТРАНСМИССИЯ, АКСЕССУАРЫ (/) (№-) ГИДРОТРАНСФОРМАТОР И ТРАНСМИССИЯ, БЕЗ ЭКСТРЕНН. РУЛЕВ. УПРАВЛЕНИЕ, ДЛЯ MACHINE С БЛОКИР.UP ТИП ГИДРОТРАНСФОРМАТОР
23
23
1
2
3
4
5
6
7
8
9
10
11
12
13
14
15
16
17
18
19
20
21
22
23
24
25
26
27
28
29
30
31
32
33
34
35
36
37
38
39
40
42
19
18
16
16
16
38
7
8
17
6
16
41
FIT
1:1
100%

Артикул

Название

Примечание

Количество

|$0

714-17-30014

Transmission Assembly

SN: (101044-UP

1шт.

|$1

714-17-30013

Transmission Assembly

SN: 65501-(101043

1шт.

1

714-17-35822

Wiring Harness

SN: 65501-UP

1шт.

1

21J-06-13661

Diode

SN: 65501-UP

1шт.

2

01010-81020

Bolt

SN: 65501-UP

1шт.

3

01643-31032

Washer

SN: 65501-UP

1шт.

4

600-051-2220

Clip

SN: 65501-UP

1шт.

5

600-051-2160

Clip

SN: 65501-UP

1шт.

6

195-01-14540

Collar

SN: 65501-UP

2шт.

7

01010-81035

Bolt

SN: 65501-UP

2шт.

8

01643-31032

Washer

SN: 65501-UP

2шт.

9

6164-11-5590

Spacer

SN: 65501-UP

1шт.

10

01010-81050

Bolt

SN: 65501-UP

1шт.

11

01643-31032

Washer

SN: 65501-UP

1шт.

12

600-051-2100

Clip

SN: 65501-UP

1шт.

13

04434-53211

Clip

SN: 65501-UP

1шт.

14

07095-20523

Cushion

SN: 65501-UP

1шт.

15

600-051-2100

Clip

SN: 65501-UP

1шт.

16

600-051-2100

Clip

SN: 65501-UP

5шт.

17

01435-01016

Bolt

SN: 65501-UP

2шт.

18

01010-81025

Bolt

SN: 65501-UP

2шт.

19

01643-31032

Washer

SN: 65501-UP

2шт.

20

714-17-38760

Bracket

SN: 65501-UP

1шт.

21

7861-93-3320

Sensor, Oil Temperature

SN: 65501-UP

1шт.

22

600-051-2060

Clip

SN: 65501-UP

1шт.

23

07049-01215

Plug

SN: 65501-UP

9шт.

24

07049-01012

Plug

SN: 65501-UP

1шт.

25

01010-81016

Bolt

SN: 65501-UP

1шт.

26

01643-31032

Washer

SN: 65501-UP

1шт.

27

600-051-2240

Clip

SN: 65501-UP

1шт.

28

01435-01016

Bolt

SN: 65501-UP

1шт.

29

6150-81-6940

Spacer

SN: 65501-UP

1шт.

30

04434-51710

Clip

SN: 65501-UP

1шт.

31

01010-81075

Bolt

SN: 65501-UP

1шт.

32

01643-31032

Washer

SN: 65501-UP

1шт.

33

07095-20211

Cushion

SN: 65501-UP

1шт.

34

714-17-38131

Elbow

SN: 65501-UP

1шт.

35

07002-62034

O-ring, (Kit : K05)

SN: 65501-UP

1шт.

36

01010-81035

Bolt

SN: 65501-UP

1шт.

37

01643-31032

Washer

SN: 65501-UP

1шт.

38

600-051-2100

Clip

SN: 65501-UP

2шт.

39

195-01-14540

Collar

SN: 65501-UP

1шт.

40

01010-81025

Bolt

SN: 65501-UP

1шт.

41

01643-31032

Washer

SN: 65501-UP

1шт.

42

08193-21012

Clip

SN: 65501-UP

1шт.

Выбрано товаров: 0