Запчасти Komatsu WA430-6 ГИДРОТРАНСФОРМАТОР И ТРАНСМИССИЯ, СИСТЕМА ТРУБ ОХЛАЖДЕНИЯ (№8-) ГИДРОТРАНСФОРМАТОР И ТРАНСМИССИЯ, С ЭКСТРЕНН. УПРАВЛ., ДЛЯ ХОЛОДН. ЗАПУСК

Схема запчастей Komatsu WA430-6 - ГИДРОТРАНСФОРМАТОР И ТРАНСМИССИЯ, СИСТЕМА ТРУБ ОХЛАЖДЕНИЯ (№8-) ГИДРОТРАНСФОРМАТОР И ТРАНСМИССИЯ, С ЭКСТРЕНН. УПРАВЛ., ДЛЯ ХОЛОДН. ЗАПУСК
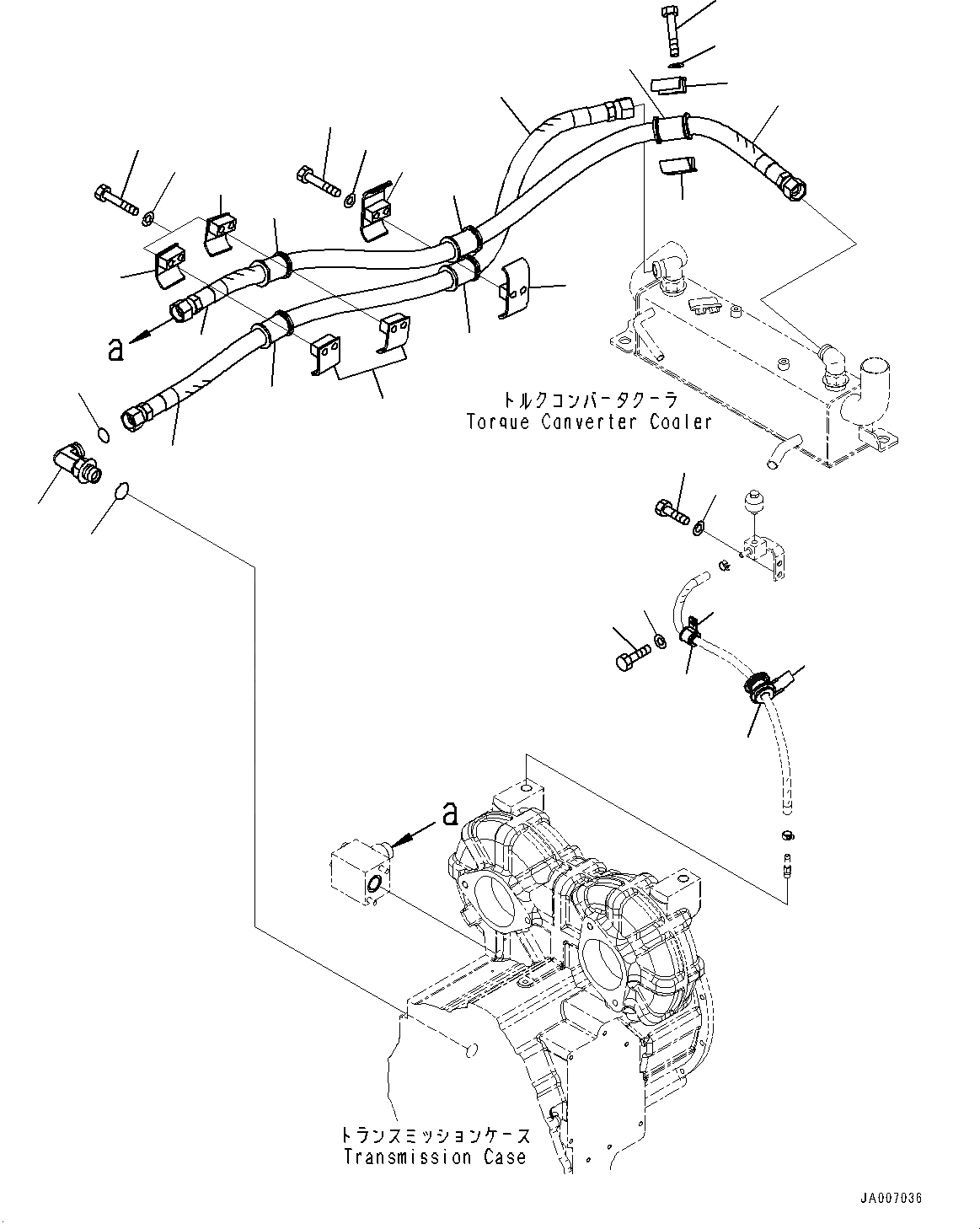
3
8
4
5
7
6
12
11
9
10
6
6
14
15
11
13
1
6
2
9
10
6
8
1
2
18
19
21
20
23
22
17
16
FIT
1:1
100%

Артикул

Название

Примечание

Количество

1

424-09-41131

Hose

SN: 65501-UP

1шт.

2

424-09-41123

Hose

SN: 65668-UP

1шт.

3

421-09-31210

Elbow

SN: 65501-UP

1шт.

4

07002-23334

O-ring

SN: 65501-UP

1шт.

5

421-09-31140

O-ring

SN: 65501-UP

2шт.

6

07094-11024

Clamp

SN: 65501-UP

6шт.

7

07095-01035

Cushion

SN: 65668-UP

1шт.

8

07095-01033

Cushion

SN: 65668-UP

2шт.

9

01010-81285

Bolt

SN: 65501-UP

6шт.

10

01643-31232

Washer

SN: 65501-UP

6шт.

11

07094-31024

Clamp

SN: 65501-UP

2шт.

12

07095-01035

Cushion

SN: 65668-UP

1шт.

13

07095-01033

Cushion

SN: 65668-UP

1шт.

14

01010-81285

Bolt

SN: 65501-UP

2шт.

15

01643-31232

Washer

SN: 65501-UP

2шт.

16

01010-81020

Bolt

SN: 65501-UP

2шт.

17

01643-31032

Washer

SN: 65501-UP

2шт.

18

07095-00420

Cushion

SN: 65501-UP

1шт.

19

08034-20519

Band

SN: 65501-UP

2шт.

20

04434-52310

Clip

SN: 65501-UP

1шт.

21

07095-20318

Cushion

SN: 65501-UP

1шт.

22

01010-81025

Bolt

SN: 65501-UP

1шт.

23

01643-31032

Washer

SN: 65501-UP

1шт.

Выбрано товаров: 23