Запчасти Komatsu WA430-6 ГИДРОТРАНСФОРМАТОР И ТРАНСМИССИЯ, УПРАВЛЯЮЩ. КЛАПАН (/) (№-) ГИДРОТРАНСФОРМАТОР И ТРАНСМИССИЯ, БЕЗ ЭКСТРЕНН. РУЛЕВ. УПРАВЛЕНИЕ

Схема запчастей Komatsu WA430-6 - ГИДРОТРАНСФОРМАТОР И ТРАНСМИССИЯ, УПРАВЛЯЮЩ. КЛАПАН (/) (№-) ГИДРОТРАНСФОРМАТОР И ТРАНСМИССИЯ, БЕЗ ЭКСТРЕНН. РУЛЕВ. УПРАВЛЕНИЕ
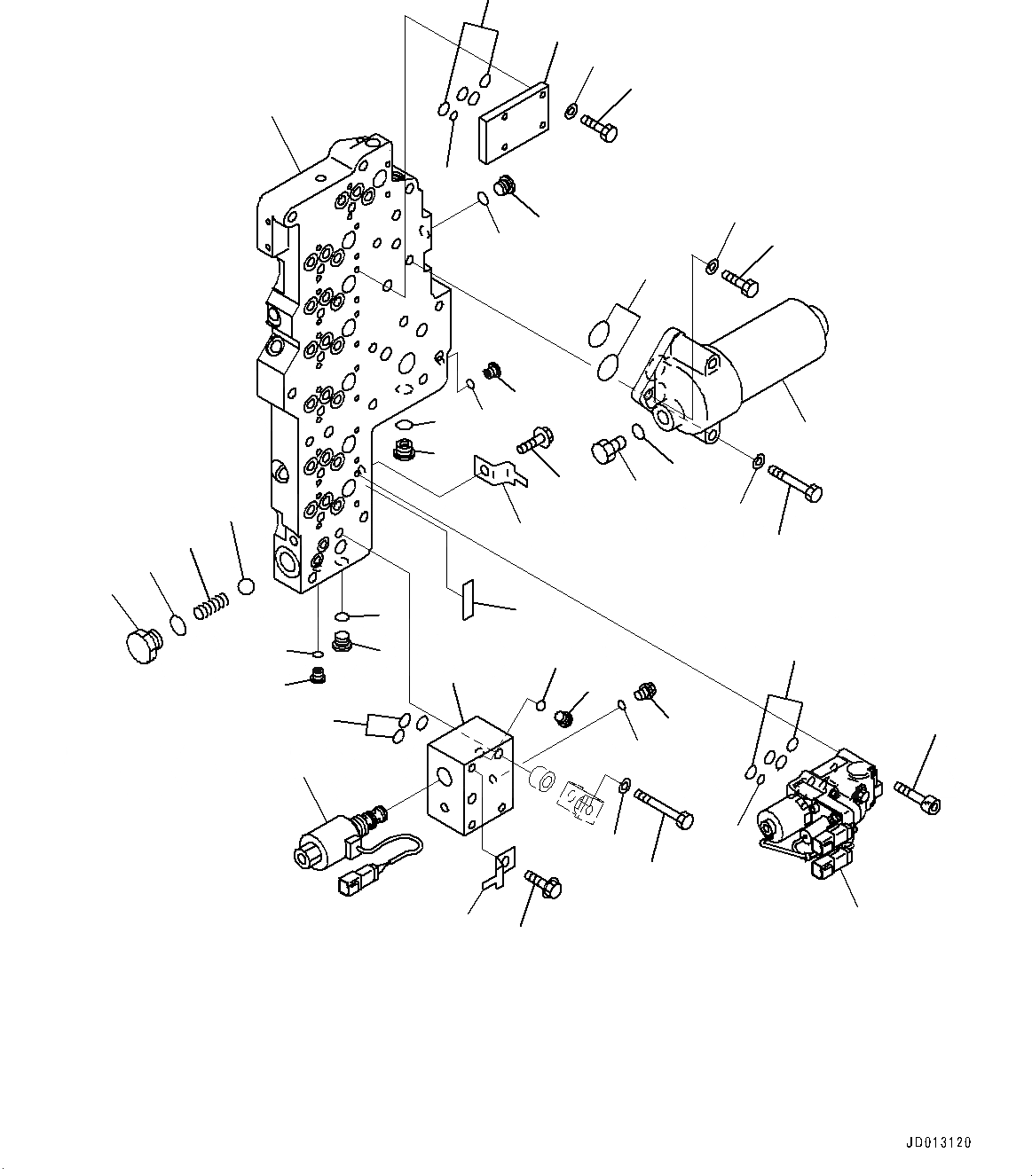
28
32
34
33
28
35
37
29
26
25
23
24
21
31
30
14
13
27
1
12
2
7
8
9
10
11
6
11
10
27
36
2
3
3
22
19
20
23
15
16
17
18
4
5
5
4
FIT
1:1
100%

Артикул

Название

Примечание

Количество

|$0

714-17-30004

Transmission Assembly

SN: (100980-UP

1шт.

|$1

714-17-30003

Transmission Assembly

SN: 65501-(100979

1шт.

|$2

714-17-35003

Valve Assembly, Main

SN: 65501-UP

1шт.

1

714-17-35130

Seat, Valve

SN: 65501-UP

1шт.

2

723-11-18190

Plug

SN: 65501-UP

3шт.

3

07002-61023

O-ring, (Kit : K02)

SN: 65501-UP

3шт.

4

714-24-25190

Plug

SN: 65501-UP

15шт.

5

07002-61423

O-ring, (Kit : K02)

SN: 65501-UP

15шт.

6

723-11-15110

Plug

SN: 65501-UP

2шт.

7

07002-61623

O-ring, (Kit : K02)

SN: 65501-UP

2шт.

8

714-12-25504

ECMV Assembly

SN: (101255-UP

6шт.

8

714-12-25503

ECMV Assembly

SN: 65501-(101239

6шт.

9

714-07-25160

Cover

SN: 65501-UP

1шт.

10

07000-72015

O-ring, (Kit : K02)

SN: 65501-UP

28шт.

11

07000-71007

O-ring, (Kit : K02)

SN: 65501-UP

7шт.

12

01252-70650

Bolt

SN: 65501-UP

24шт.

13

01010-80620

Bolt

SN: 65501-UP

4шт.

14

01643-30623

Washer

SN: 65501-UP

4шт.

15

04260-01270

Ball

SN: 65501-UP

1шт.

16

234-15-15120

Spring

SN: 65501-UP

1шт.

17

714-10-16890

Plug

SN: 65501-UP

1шт.

18

07002-62034

O-ring, (Kit : K02)

SN: 65501-UP

1шт.

18

714-17-35202

Solenoid Assembly

SN: 65501-UP

1шт.

19

Valve, Solenoid

SN: 65501-UP

1шт.

20

Block

SN: 65501-UP

1шт.

21

723-11-18190

Plug

SN: 65501-UP

1шт.

22

708-8E-16150

Plug

SN: 65501-UP

1шт.

23

07002-61023

O-ring, (Kit : K02)

SN: 65501-UP

2шт.

24

07000-72012

O-ring, (Kit : K02)

SN: 65501-UP

3шт.

25

01010-81090

Bolt

SN: 65501-UP

1шт.

26

01643-31032

Washer

SN: 65501-UP

1шт.

27

08193-21012

Clip

SN: 65501-UP

1шт.

28

01435-01016

Bolt

SN: 65501-UP

1шт.

29

569-15-51721

Filter Assembly

SN: 65503-UP

1шт.

29

569-15-51720

Filter Assembly

SN: 65501-65502

1шт.

29

569-15-51732

Element Assembly

SN: 65503-UP

1шт.

29

569-15-51731

Element Assembly

SN: 65501-65502

1шт.

29

07000-A2060

O-ring

SN: 65503-UP

1шт.

29

07000-02060

O-ring

SN: 65501-65502

1шт.

30

07040-11812

Plug

SN: 65501-UP

1шт.

31

07002-61823

O-ring, (Kit : K02)

SN: 65501-UP

1шт.

32

07000-73022

O-ring, (Kit : K02)

SN: 65501-UP

2шт.

33

01010-81030

Bolt

SN: 65501-UP

1шт.

34

01643-31032

Washer

SN: 65501-UP

1шт.

35

01010-81080

Bolt

SN: 65501-UP

1шт.

36

01643-31032

Washer

SN: 65501-UP

1шт.

37

700-11-31980

Plate, Name (Limited Supply)

SN: 65501-UP

1шт.

Выбрано товаров: 47