Запчасти Komatsu WA430-6 ГИДРАВЛ УПРАВЛЯЮЩ. КЛАПАН, -КЛАПАН (7/8) (№-) ГИДРАВЛ УПРАВЛЯЮЩ. КЛАПАН, 2-Х СЕКЦИОНН.

Схема запчастей Komatsu WA430-6 - ГИДРАВЛ УПРАВЛЯЮЩ. КЛАПАН, -КЛАПАН (7/8) (№-) ГИДРАВЛ УПРАВЛЯЮЩ. КЛАПАН, 2-Х СЕКЦИОНН.
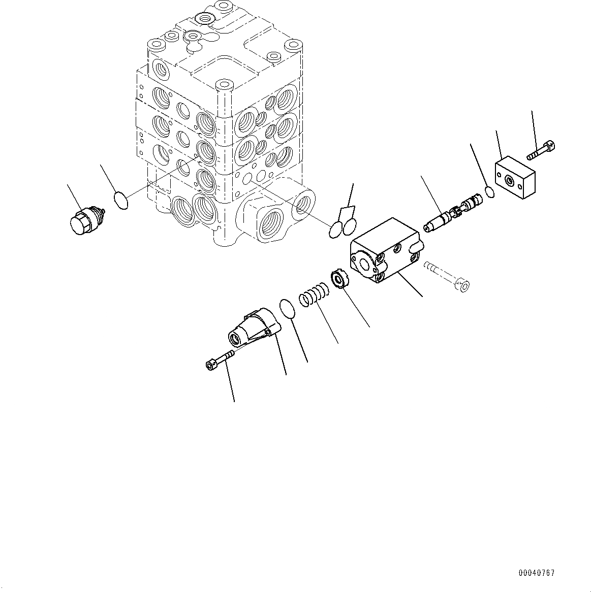
1
2
3
4
5
6
7
8
9
11
12
10
10
FIT
1:1
100%

Артикул

Название

Примечание

Количество

|$0

723-53-16202

Valve, Control

SN: 65501-UP

1шт.

|$1

723-50-54401

Valve Subassembly

SN: 65501-UP

1шт.

1

Block

SN: 65501-UP

1шт.

2

Spool

SN: 65501-UP

1шт.

3

723-50-54170

Plate

SN: 65501-UP

1шт.

4

723-26-15110

Case

SN: 65501-UP

1шт.

5

723-50-54161

Spring

SN: 65501-UP

1шт.

6

723-26-15121

Retainer

SN: 65501-UP

1шт.

7

07000-12020

O-ring

SN: 65501-UP

1шт.

8

575-41-17420

O-ring

SN: 65501-UP

1шт.

9

07000-12022

O-ring

SN: 65501-UP

2шт.

10

01252-60630

Bolt, Hexagon Socket Head

SN: 65501-UP

4шт.

11

723-40-85100

Valve Assembly, Suction

SN: 65501-UP

1шт.

12

709-25-11390

O-ring

SN: 65501-UP

1шт.

Выбрано товаров: 14