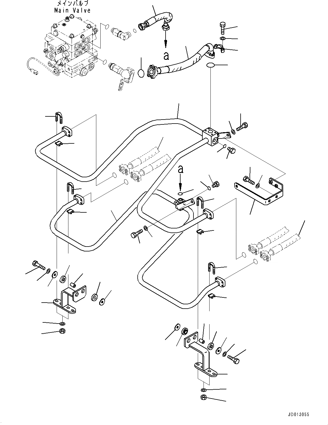
Запчасти Komatsu WA430-6 ГИДРОЛИНИЯ, ГИДРОЦИЛИНДР ПОДЪЕМА ТРУБЫ (№-) ГИДРОЛИНИЯ, 2-Х СЕКЦИОНН., ДЛЯ MACHINE С ЭЛЕКТРОНН. ГЛАВН. УПРАВЛ-Е (EPC) ГИДРАВЛS

Схема запчастей Komatsu WA430-6 - ГИДРОЛИНИЯ, ГИДРОЦИЛИНДР ПОДЪЕМА ТРУБЫ (№-) ГИДРОЛИНИЯ, 2-Х СЕКЦИОНН., ДЛЯ MACHINE С ЭЛЕКТРОНН. ГЛАВН. УПРАВЛ-Е (EPC) ГИДРАВЛS
14
18
17
19
20
13
21
22
12
18
15
16
7
3
1
2
3
4
5
10
11
30
27
28
29
31
6
9
11
10
20
19
30
31
8
32
32
26
25
24
23
18
17
16
15
18
24
12
13
14
23
FIT
1:1
100%

Артикул

Название

Примечание

Количество

1

423-62-43530

Hose

SN: 65501-UP

1шт.

2

07371-31049

Flange, Split

SN: 65501-UP

4шт.

3

07000-13032

O-ring

SN: 65501-UP

2шт.

4

07372-21035

Bolt

SN: 65501-UP

8шт.

5

01643-51032

Washer

SN: 65501-UP

8шт.

6

424-62-43143

Tube

SN: 65501-UP

1шт.

7

423-62-43540

Hose

SN: 65501-UP

1шт.

8

424-62-43151

Tube

SN: 65501-UP

1шт.

9

02896-61018

O-ring

SN: 65501-UP

1шт.

10

720-68-19530

Plug

SN: 65501-UP

2шт.

11

07002-11823

O-ring

SN: 65501-UP

2шт.

12

424-62-43980

Bracket

SN: 65501-UP

2шт.

13

01010-81050

Bolt

SN: 65501-UP

4шт.

14

01643-31032

Washer

SN: 65501-UP

4шт.

15

415-64-13130

Cushion

SN: 65501-UP

4шт.

16

421-62-18560

Spacer

SN: 65501-UP

4шт.

17

419-43-17930

Cushion

SN: 65501-UP

4шт.

18

415-64-13120

Washer

SN: 65501-UP

8шт.

19

07283-32746

Clip

SN: 65501-UP

2шт.

20

07283-52737

Seat

SN: 65501-UP

2шт.

21

01597-01009

Nut

SN: 65501-UP

4шт.

22

01643-31032

Washer

SN: 65501-UP

4шт.

23

07283-32746

Clip

SN: 65501-UP

2шт.

24

07283-52737

Seat

SN: 65501-UP

2шт.

25

01597-01009

Nut

SN: 65501-UP

4шт.

26

01643-31032

Washer

SN: 65501-UP

4шт.

27

423-62-43140

Plate

SN: 65501-UP

1шт.

28

01010-D1225

Bolt

SN: 65501-UP

2шт.

29

01643-71232

Washer

SN: 65501-UP

2шт.

30

01010-81230

Bolt

SN: 65501-UP

2шт.

31

01643-31232

Washer

SN: 65501-UP

2шт.

32

07085-00612

Hose, Flange Type

SN: UP

-1шт.

Выбрано товаров: 32