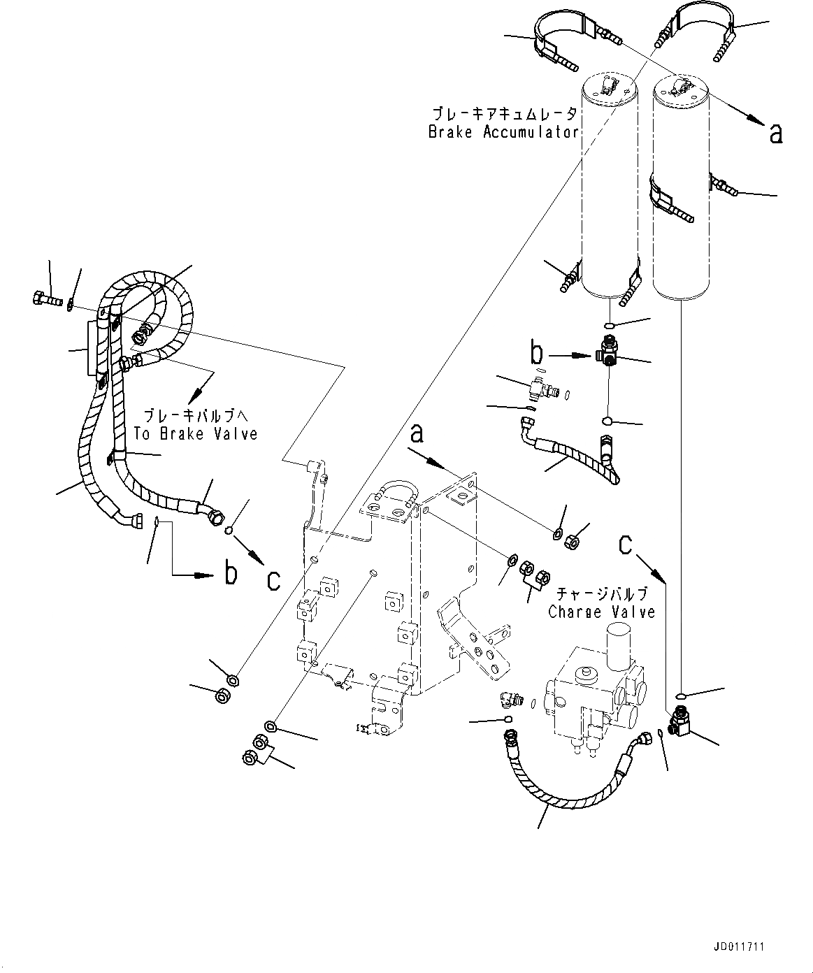
Запчасти Komatsu WA430-6 УПРАВЛ-Е ТОРМОЗОМ, АККУМУЛЯТОР КОМПОНЕНТЫ (№-) УПРАВЛ-Е ТОРМОЗОМ, С ORBIT-ROLL СИСТЕМАУПРАВЛЕНИЯ ПОВОРОТОМ
1
2
3
4
5
6
7
8
9
10
11
12
13
14
15
16
2
3
14
14
13
3
2
11
3
1
1
1
2
4
5
17
FIT
1:1
100%
№
Артикул
Название
Примечание
Количество
1
421-43-22360
Band
SN: 65501-UP
4шт.
4
423-43-31350
Elbow
SN: 65501-UP
2шт.
6
423-43-47321
Hose
SN: 65501-UP
1шт.
8
424-43-47220
Hose
SN: 65501-UP
1шт.
10
423-43-47441
Hose
SN: 65501-UP
1шт.
12
423-43-47450
Hose
SN: 65501-UP
1шт.
17
418-43-37240
Tee
SN: UP
-1шт.
Выбрано товаров: 17