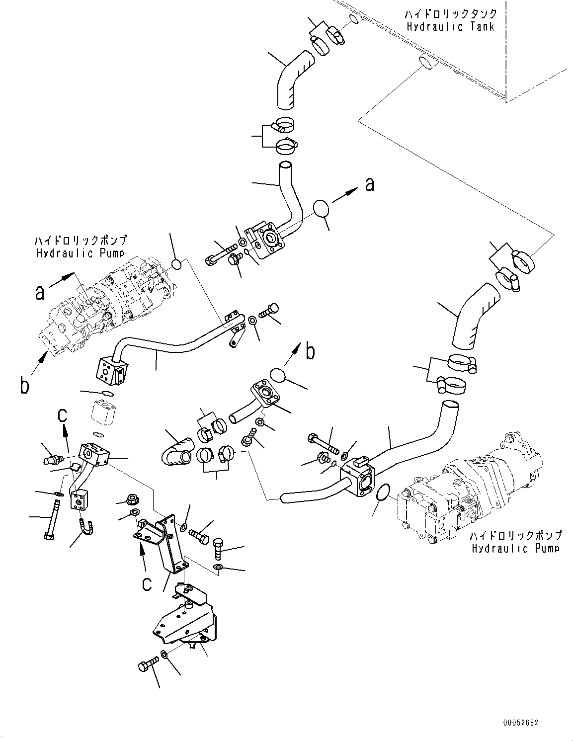
Запчасти Komatsu WA430-6 ГИДР. НАСОС., ВСАСЫВ. И ГИДРАВЛИКА РУЛ. УПРАВЛЕНИЯ (№-) ГИДР. НАСОС.

Схема запчастей Komatsu WA430-6 - ГИДР. НАСОС., ВСАСЫВ. И ГИДРАВЛИКА РУЛ. УПРАВЛЕНИЯ (№-) ГИДР. НАСОС.
2
8
7
6
5
3
2
22
21
22
1
36
37
38
43
34
42
40
41
33
15
20
19
18
17
4
9
10
13
14
23
24
25
26
27
28
29
30
31
32
35
39
12
11
16
16
FIT
1:1
100%

Артикул

Название

Примечание

Количество

1

424-62-43224

Hose

SN: 65001-UP

1шт.

2

07289-00080

Clamp

SN: 65001-UP

4шт.

3

424-62-43233

Tube

SN: 65001-UP

1шт.

4

07000-12060

O-ring

SN: 65001-UP

1шт.

5

01011-81210

Bolt

SN: 65001-UP

4шт.

6

01643-31232

Washer

SN: 65001-UP

4шт.

7

708-8E-16150

Plug

SN: 65001-UP

1шт.

8

07002-11023

O-ring

SN: 65001-UP

1шт.

9

424-62-43251

Tube

SN: 65001-UP

1шт.

10

07000-12060

O-ring

SN: 65001-UP

1шт.

11

01010-81295

Bolt

SN: 65001-UP

4шт.

12

01643-31232

Washer

SN: 65001-UP

4шт.

13

708-8E-16150

Plug

SN: 65001-UP

1шт.

14

07002-11023

O-ring

SN: 65001-UP

1шт.

15

424-62-43242

Hose

SN: 65001-UP

1шт.

16

07289-00055

Clamp

SN: 65001-UP

4шт.

17

424-62-43261

Tube

SN: 65001-UP

1шт.

18

07000-13048

O-ring

SN: 65001-UP

1шт.

19

07372-21245

Bolt

SN: 65001-UP

4шт.

20

01643-51232

Washer

SN: 65001-UP

4шт.

21

423-62-41460

Hose

SN: 65001-UP

1шт.

22

07289-00045

Clamp

SN: 65001-UP

4шт.

23

424-62-41250

Tube

SN: 65001-UP

1шт.

24

07000-13032

O-ring

SN: 65001-UP

1шт.

25

07000-13035

O-ring

SN: 65001-UP

1шт.

26

07372-21040

Bolt

SN: 65001-UP

4шт.

27

01643-51032

Washer

SN: 65001-UP

4шт.

28

01011-81030

Bolt

SN: 65001-UP

4шт.

29

01643-51032

Washer

SN: 65001-UP

4шт.

30

424-62-43462

Tube

SN: 65001-UP

1шт.

31

07283-32746

Clip

SN: 65001-UP

1шт.

32

07283-52737

Seat

SN: 65001-UP

1шт.

33

01597-01009

Nut

SN: 65001-UP

2шт.

34

01643-31032

Washer

SN: 65001-UP

2шт.

35

7861-93-1653

Sensor,Hydraulic Oil

SN: 65925-UP

1шт.

35

7861-93-1652

Sensor,Hydraulic Oil

SN: 65704-65924

1шт.

35

7861-93-1651

Sensor,Hydraulic Oil

SN: 65533-65703

1шт.

35

7861-93-1650

Sensor,Hydraulic Oil

SN: 65001-65532

1шт.

|$38

07002-61823

O-ring

SN: 65704-UP

1шт.

|$39

07002-11823

O-ring

SN: 65001-65703

1шт.

36

424-62-43394

Bracket

SN: 65001-UP

1шт.

37

01010-81230

Bolt

SN: 65001-UP

2шт.

38

01643-31232

Washer

SN: 65001-UP

2шт.

39

424-62-43413

Bracket

SN: 65001-UP

1шт.

40

01010-81025

Bolt

SN: 65001-UP

2шт.

41

01643-31032

Washer

SN: 65001-UP

2шт.

42

01010-81025

Bolt

SN: 65001-UP

2шт.

43

01643-31032

Washer

SN: 65001-UP

2шт.

Выбрано товаров: 48