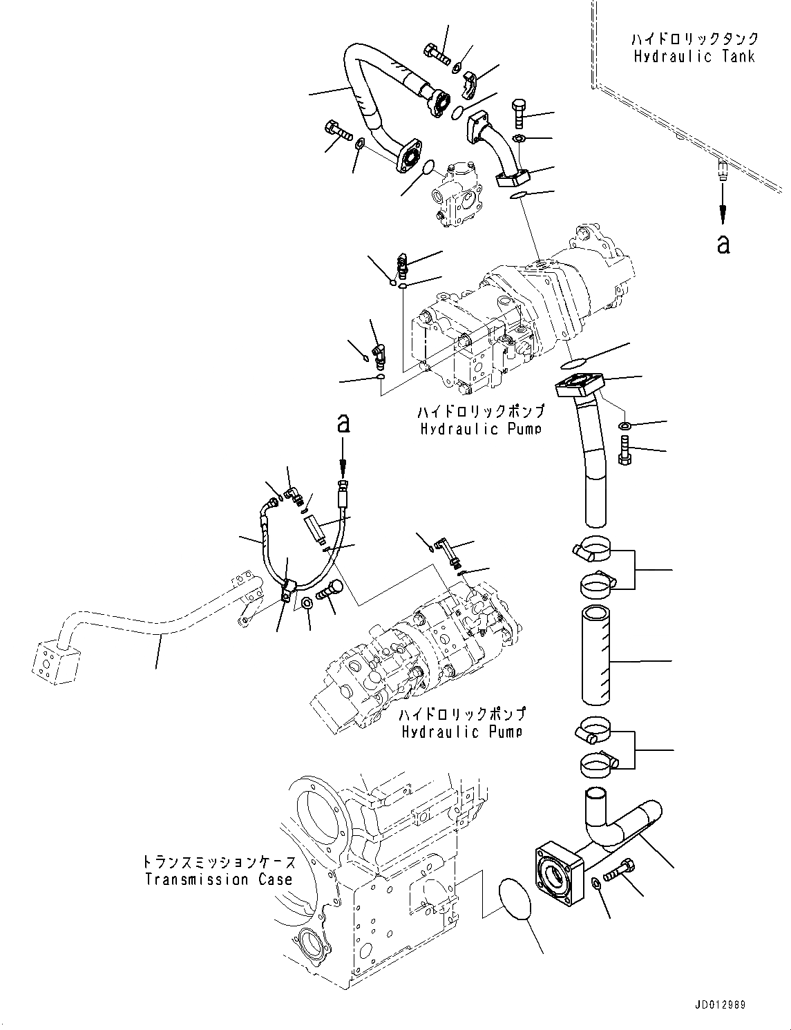
Запчасти Komatsu WA430-6 ГИДР. НАСОС., ВСАСЫВ. И ПОДАЮЩ. ТРУБЫ (№-) ГИДР. НАСОС.

Схема запчастей Komatsu WA430-6 - ГИДР. НАСОС., ВСАСЫВ. И ПОДАЮЩ. ТРУБЫ (№-) ГИДР. НАСОС.
6
10
9
8
7
6
5
4
3
2
1
11
12
13
14
15
16
17
18
19
20
21
22
23
24
25
26
27
28
29
30
31
35
37
38
39
40
15
32
34
33
36
41
FIT
1:1
100%

Артикул

Название

Примечание

Количество

1

424-16-41112

Tube

SN: 65001-UP

1шт.

2

07000-A2100

O-ring

SN: 65001-UP

1шт.

3

01010-81245

Bolt

SN: 65001-UP

4шт.

4

01643-31232

Washer

SN: 65001-UP

4шт.

5

07260-05825

Hose

SN: 65001-UP

1шт.

6

07289-00080

Clamp

SN: 65001-UP

4шт.

7

424-16-41122

Tube

SN: 65001-UP

1шт.

8

07000-A2060

O-ring

SN: 65001-UP

1шт.

9

01010-81250

Bolt

SN: 65001-UP

4шт.

10

01643-51232

Washer

SN: 65001-UP

4шт.

11

424-16-41130

Tube

SN: 65001-UP

1шт.

12

07000-A3035

O-ring

SN: 65001-UP

1шт.

13

01010-81040

Bolt

SN: 65001-UP

4шт.

14

01643-51032

Washer

SN: 65001-UP

4шт.

15

07000-A3032

O-ring

SN: 65001-UP

2шт.

16

07371-31049

Flange, Split

SN: 65001-UP

2шт.

17

07372-21035

Bolt

SN: 65001-UP

4шт.

18

01643-51032

Washer

SN: 65001-UP

4шт.

19

01010-81035

Bolt

SN: 65001-UP

2шт.

20

01643-31032

Washer

SN: 65001-UP

2шт.

21

424-16-41151

Hose

SN: 65001-UP

1шт.

22

424-62-43930

Hose

SN: 65001-UP

1шт.

23

207-62-62460

Adapter

SN: 65001-UP

1шт.

24

07002-11423

O-ring

SN: 65001-UP

1шт.

25

02782-10210

Elbow

SN: 65001-UP

1шт.

26

02896-11008

O-ring

SN: 65001-UP

1шт.

27

07002-11423

O-ring

SN: 65001-UP

1шт.

28

04434-51710

Clip

SN: 65001-UP

1шт.

29

07095-20211

Cushion

SN: 65001-UP

1шт.

30

01010-81020

Bolt

SN: 65001-UP

1шт.

31

01643-31032

Washer

SN: 65001-UP

1шт.

32

02782-10212

Elbow

SN: 65001-UP

1шт.

33

02896-11008

O-ring

SN: 65001-UP

1шт.

34

07002-11423

O-ring

SN: 65001-UP

1шт.

35

424-62-41240

Elbow

SN: 65001-UP

1шт.

36

02896-11008

O-ring

SN: 65001-UP

1шт.

37

07002-11423

O-ring

SN: 65001-UP

1шт.

38

02782-1021A

Elbow

SN: 65001-UP

1шт.

39

02896-11008

O-ring

SN: 65001-UP

1шт.

40

07002-11423

O-ring

SN: 65001-UP

1шт.

41

424-62-41250

Tube

SN: UP

-1шт.

Выбрано товаров: 0