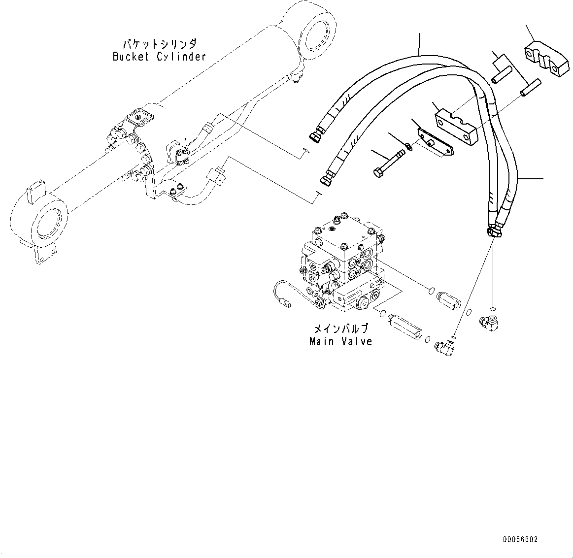
Запчасти Komatsu WA430-6 ГИДРОЛИНИЯ, ГИДРОЦИЛИНДР КОВША ТРУБЫ (№-) ГИДРОЛИНИЯ, 3-Х СЕКЦИОНН., ДЛЯ СЕВ. АМЕРИКИ

Схема запчастей Komatsu WA430-6 - ГИДРОЛИНИЯ, ГИДРОЦИЛИНДР КОВША ТРУБЫ (№-) ГИДРОЛИНИЯ, 3-Х СЕКЦИОНН., ДЛЯ СЕВ. АМЕРИКИ
1
2
3
6
8
7
4
5
FIT
1:1
100%

Артикул

Название

Примечание

Количество

1

02777-00616

Hose, Face Seal Type

SN: 65501-UP

1шт.

2

423-S35-4660

Hose

SN: 65501-UP

1шт.

3

423-62-44170

Rubber

SN: 65501-UP

1шт.

4

423-62-44180

Rubber

SN: 65501-UP

1шт.

5

423-62-44190

Spacer

SN: 65501-UP

2шт.

6

423-62-43650

Plate

SN: 65501-UP

1шт.

7

01011-D1230

Bolt

SN: 65501-UP

2шт.

8

01643-71232

Washer

SN: 65501-UP

2шт.

Выбрано товаров: 8