Запчасти Komatsu WA430-6 СОЧЛ. СОЕД. БЛОКИР. BAR И РАМА COVER, ПЕРЕДН. КРЫШКА(№-) СОЧЛ. СОЕД. БЛОКИР. BAR И РАМА COVER, 3-Х СЕКЦИОНН., С ЯЩИК Д/ИНСТРУМЕНТА, ДЛЯ СЕВ. АМЕРИКИ

Схема запчастей Komatsu WA430-6 - СОЧЛ. СОЕД. БЛОКИР. BAR И РАМА COVER, ПЕРЕДН. КРЫШКА(№-) СОЧЛ. СОЕД. БЛОКИР. BAR И РАМА COVER, 3-Х СЕКЦИОНН., С ЯЩИК Д/ИНСТРУМЕНТА, ДЛЯ СЕВ. АМЕРИКИ
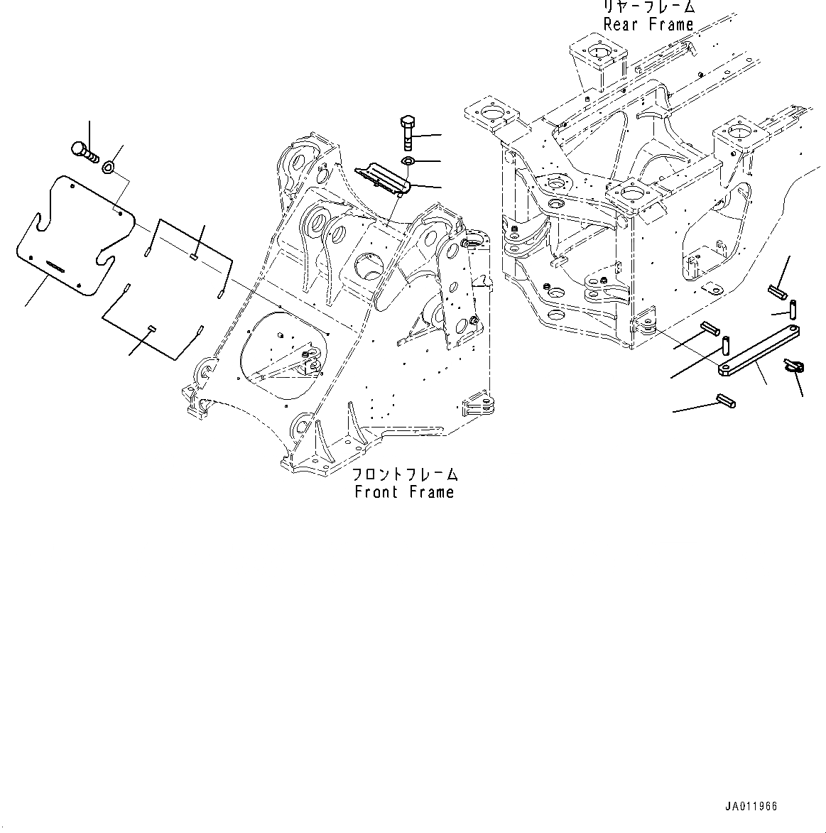
9
9
7
8
6
2
3
5
1
2
3
4
10
12
11
FIT
1:1
100%

Артикул

Название

Примечание

Количество

1

421-46-12920

Bar

SN: 65501-UP

1шт.

2

421-46-12721

Pin

SN: 65501-UP

2шт.

3

04025-01065

Pin, Spring

SN: 65501-UP

1шт.

4

04025-01065

Pin, Spring

SN: 65501-UP

1шт.

5

421-46-12740

Pin, Linch

SN: 65501-UP

1шт.

6

424-877-4181

Cover

SN: 65501-UP

1шт.

7

01010-D1230

Bolt

SN: 65501-UP

4шт.

8

01643-71232

Washer

SN: 65501-UP

4шт.

9

421-09-21420

Sheet

SN: 65501-UP

6шт.

10

423-46-44440

Cover

SN: 65501-UP

1шт.

11

01010-81050

Bolt

SN: 65501-UP

3шт.

12

01643-31032

Washer

SN: 65501-UP

3шт.

Выбрано товаров: 12