Запчасти Komatsu WA430-6 СОЧЛ. СОЕД. БЛОКИР. BAR И РАМА COVER, БОКОВ. КРЫШКА (№-) СОЧЛ. СОЕД. БЛОКИР. BAR И РАМА COVER, 2-Х СЕКЦИОНН., С ЯЩИК Д/ИНСТРУМЕНТА, ДЛЯ СЕВ. АМЕРИКИ

Схема запчастей Komatsu WA430-6 - СОЧЛ. СОЕД. БЛОКИР. BAR И РАМА COVER, БОКОВ. КРЫШКА (№-) СОЧЛ. СОЕД. БЛОКИР. BAR И РАМА COVER, 2-Х СЕКЦИОНН., С ЯЩИК Д/ИНСТРУМЕНТА, ДЛЯ СЕВ. АМЕРИКИ
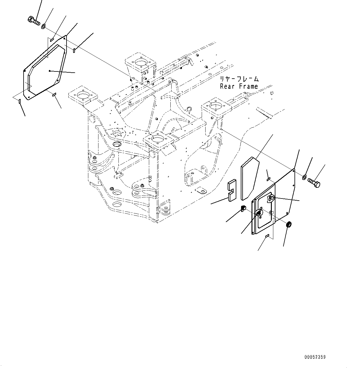
1
3
7
8
9
5
14
15
10
6
2
6
4
13
13
13
11
12
13
FIT
1:1
100%

Артикул

Название

Примечание

Количество

1

423-46-44841

Cover

SN: 65501-UP

1шт.

2

22M-54-19170

Stopper

SN: 65501-UP

1шт.

3

421-06-24180

Hinge

SN: 65501-UP

2шт.

4

423-46-44851

Sheet

SN: 65501-UP

1шт.

5

423-46-44860

Sheet

SN: 65501-UP

1шт.

6

421-09-21420

Sheet

SN: 65501-UP

2шт.

7

01010-D1225

Bolt

SN: 65501-UP

5шт.

8

01643-71232

Washer

SN: 65501-UP

5шт.

9

08037-02512

Grommet

SN: 65501-UP

1шт.

10

205-60-71220

Lock Assembly

SN: 65501-UP

1шт.

11

423-46-34870

Cover

SN: 65501-UP

1шт.

12

423-46-34880

Sheet

SN: 65501-UP

1шт.

13

421-09-21420

Sheet

SN: 65501-UP

4шт.

14

01010-D1225

Bolt

SN: 65501-UP

5шт.

15

01643-71232

Washer

SN: 65501-UP

5шт.

Выбрано товаров: 15