Запчасти Komatsu WA430-6 ЭЛЕКТРИЧ. CONVERTER ДЛЯ VOLT ИСТОЧНИК ТОКА (№-) ЭЛЕКТРИЧ. CONVERTER ДЛЯ VOLT ИСТОЧНИК ТОКА
1
2
3
4
5
6
7
8
9
10
11
6
7
FIT
1:1
100%
№
Артикул
Название
Примечание
Количество
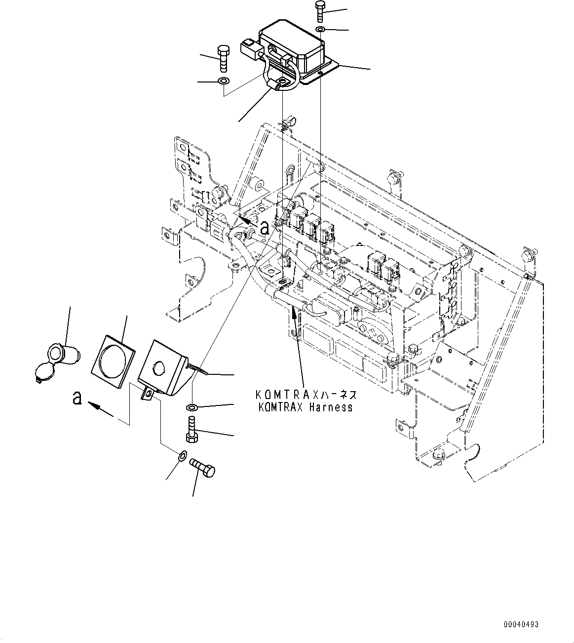
1
22U-06-22251
Converter
SN: 65501-UP
1шт.
4
198-Z11-2640
Socket Assembly
SN: 65501-UP
1шт.
5
423-06-42611
Bracket
SN: 65501-UP
1шт.
8
423-06-42871
Sheet
SN: 65501-UP
1шт.
Выбрано товаров: 11