Запчасти Komatsu WA430-6 УПРАВЛ-Е ТОРМОЗОМ, АККУМУЛЯТОР КОМПОНЕНТЫ (№-) УПРАВЛ-Е ТОРМОЗОМ, С ORBIT-ROLL СИСТЕМАУПРАВЛЕНИЯ ПОВОРОТОМ

Схема запчастей Komatsu WA430-6 - УПРАВЛ-Е ТОРМОЗОМ, АККУМУЛЯТОР КОМПОНЕНТЫ (№-) УПРАВЛ-Е ТОРМОЗОМ, С ORBIT-ROLL СИСТЕМАУПРАВЛЕНИЯ ПОВОРОТОМ
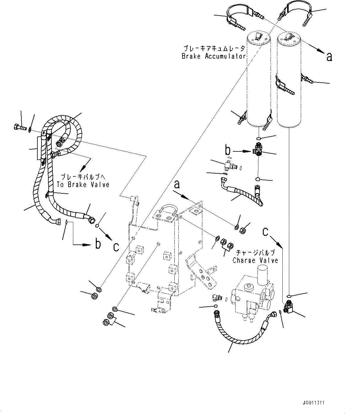
1
2
3
4
5
6
7
8
9
10
11
12
13
14
15
16
2
3
14
14
13
3
2
11
3
1
1
1
2
4
5
17
FIT
1:1
100%

Артикул

Название

Примечание

Количество

1

421-43-22360

Band

SN: 65501-UP

4шт.

2

421-40-12440

Nut

SN: 65501-UP

12шт.

3

01643-31232

Washer

SN: 65501-UP

8шт.

4

423-43-31350

Elbow

SN: 65501-UP

2шт.

5

07002-12034

O-ring

SN: 65501-UP

2шт.

6

423-43-47321

Hose

SN: 65501-UP

1шт.

7

02896-11012

O-ring

SN: 65501-UP

1шт.

8

424-43-47220

Hose

SN: 65501-UP

1шт.

9

02896-11012

O-ring

SN: 65501-UP

1шт.

10

423-43-47441

Hose

SN: 65501-UP

1шт.

11

02896-11009

O-ring

SN: 65501-UP

2шт.

12

423-43-47450

Hose

SN: 65501-UP

1шт.

13

02896-11009

O-ring

SN: 65501-UP

2шт.

14

04434-51910

Clip

SN: 65501-UP

4шт.

15

01010-81020

Bolt

SN: 65501-UP

4шт.

16

01643-31032

Washer

SN: 65501-UP

4шт.

17

418-43-37240

Tee

SN: UP

-1шт.

Выбрано товаров: 17