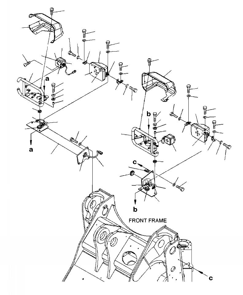
Запчасти Komatsu WA430-6 E-A ПЕРЕДН. ОСВЕЩЕНИЕ ЭЛЕКТРИКА

Схема запчастей Komatsu WA430-6 - E-A ПЕРЕДН. ОСВЕЩЕНИЕ ЭЛЕКТРИКА
32
31
11
22
12
23
35
26
9
19
25
29
36
28
34
32
24
11
30
8
12
27
20
17
21
16
6
10
15
7
23
13
22
22
23
14
35
17
19
33
36
16
1
15
6
39
18
13
40
7
3
5
34
4
24
38
23
14
22
1
1
40
18
2
39
33
1
37
2
FIT
1:1
100%

Артикул

Название

Примечание

Количество

1

424-06-43151

WIRING HARNESS

SN: A41001--UP

2шт.

2

08037-03620

GROMMET

SN: A41001--UP

2шт.

3

423-06-43130

BRACKET, L.H.

SN: A41001--UP

1шт.

4

421-06-23552

PLATE

SN: A41001--UP

1шт.

5

421-06-23630

PLATE, L.H.

SN: A41001--UP

1шт.

6

01010-81025

BOLT

SN: A41001--UP

2шт.

7

01643-31032

WASHER

SN: A41001--UP

2шт.

8

423-06-43140

BRACKET, R.H.

SN: A41001--UP

1шт.

9

421-06-23552

PLATE

SN: A41001--UP

1шт.

10

421-06-23640

PLATE, R.H.

SN: A41001--UP

1шт.

11

01010-81025

BOLT

SN: A41001--UP

2шт.

12

01643-31032

WASHER

SN: A41001--UP

2шт.

13

417-54-13470

SPACER

SN: A41001--UP

6шт.

14

419-43-17930

CUSHION

SN: A41001--UP

6шт.

15

415-64-13130

CUSHION

SN: A41001--UP

6шт.

16

419-43-17920

WASHER

SN: A41001--UP

6шт.

17

01010-81250

BOLT

SN: A41001--UP

6шт.

18

08037-03614

GROMMET

SN: A41001--UP

2шт.

19

424-06-43211

HEADLAMP

SN: A41001--UP

2шт.

20

424-06-23220

LENS

SN: A41001--UP

2шт.

21

424-06-23230

BULB, 75/70 W

SN: A41001--UP

2шт.

22

01010-80825

BOLT

SN: A41001--UP

4шт.

23

01602-20825

WASHER

SN: A41001--UP

4шт.

24

424-06-43221

LAMP

SN: A41001--UP

2шт.

25

41G-06-13210

LENS, FRONT

SN: A41001--UP

2шт.

26

41G-06-13220

LENS, REAR

SN: A41001--UP

2шт.

27

41G-06-13230

BULB, 5 W

SN: A41001--UP

2шт.

28

08105-12420

BULB, 25 W

SN: A41001--UP

2шт.

29

01023-10425

SCREW

SN: A41001--UP

8шт.

30

421-06-23611

COVER, L.H.

SN: A41001--UP

1шт.

31

421-06-23621

COVER, R.H.

SN: A41001--UP

1шт.

32

01010-80616

BOLT

SN: A41001--UP

10шт.

NI

01643-30623

WASHER

SN: A41001--UP

10шт.

33

04434-51012

CLIP

SN: A41001--UP

2шт.

34

04434-50612

CLIP

SN: A41001--UP

2шт.

35

01010-80820

BOLT

SN: A41001--UP

2шт.

36

01643-30823

WASHER

SN: A41001--UP

2шт.

37

424-06-43112

SUPPORT, L.H.

SN: A41001--UP

1шт.

38

424-06-43122

SUPPORT, R.H.

SN: A41001--UP

1шт.

39

01010-81230

BOLT

SN: A41001--UP

6шт.

40

01643-31232

WASHER

SN: A41001--UP

6шт.

Выбрано товаров: 41