Запчасти Komatsu WA430-6 F-A ТРАНСМИССИЯ ОСНОВН. РАЗГРУЗ. КЛАПАН КРЕПЛЕНИЕ - БЛОКИР.UP СИЛОВАЯ ПЕРЕДАЧА И КОНЕЧНАЯ ПЕРЕДАЧА

Схема запчастей Komatsu WA430-6 - F-A ТРАНСМИССИЯ ОСНОВН. РАЗГРУЗ. КЛАПАН КРЕПЛЕНИЕ - БЛОКИР.UP СИЛОВАЯ ПЕРЕДАЧА И КОНЕЧНАЯ ПЕРЕДАЧА
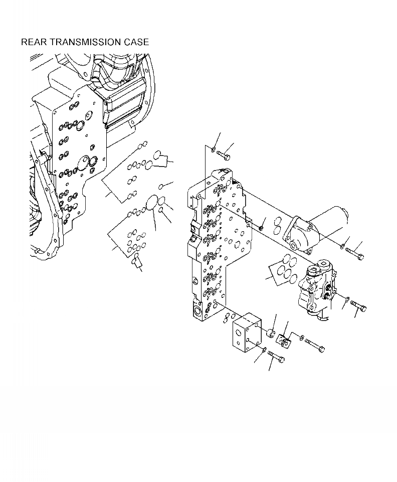
6
5
13
14
14
2
13
14
8
7
16
14
15
1
4
3
10
9
12
11
FIT
1:1
100%

Артикул

Название

Примечание

Количество

|$0

TRANSMISSION WITH LOCKUP (SEE FIG. F4350-51A0 )

SN: A41001--UP

-1шт.

|$1

VALVE ASSEMBLY, MAIN (SEE FIG. F4350-58A1 )

SN: A41001--UP

-1шт.

1

07000-73030

O-RING

SN: A41001--UP

5шт.

2

714-07-35180

ORIFICE

SN: A41001--UP

2шт.

3

421-06-31351

PLATE

SN: A41001--UP

1шт.

4

195-01-14540

COLLAR

SN: A41001--UP

1шт.

5

01010-81060

BOLT

SN: A41001--UP

6шт.

6

01643-31032

WASHER

SN: A41001--UP

6шт.

7

01011-81025

BOLT

SN: A41001--UP

1шт.

8

01643-31032

WASHER

SN: A41001--UP

1шт.

9

01011-81005

BOLT

SN: A41001--UP

2шт.

10

01643-31032

WASHER

SN: A41001--UP

2шт.

11

01011-81015

BOLT

SN: A41001--UP

1шт.

12

01643-31032

WASHER

SN: A41001--UP

1шт.

13

07000-73028

O-RING

SN: A41001--UP

3шт.

14

07000-72015

O-RING

SN: A41001--UP

25шт.

15

07000-72012

O-RING

SN: A41001--UP

2шт.

16

07000-73045

O-RING

SN: A41001--UP

1шт.

|$18

714-15-05040

SERVICE KIT, TRANSMISSION

SN: A41001--UP

1шт.

|$19

19

-1шт.

|$20

F1 - PART INCLUDED IN SERVICE KIT:

20

-1шт.

Выбрано товаров: 21