Запчасти Komatsu WA430-6 F-A ТРАНСМИССИЯ АКСЕССУАРЫ - СТАНДАРТН. (/) СИЛОВАЯ ПЕРЕДАЧА И КОНЕЧНАЯ ПЕРЕДАЧА

Схема запчастей Komatsu WA430-6 - F-A ТРАНСМИССИЯ АКСЕССУАРЫ - СТАНДАРТН. (/) СИЛОВАЯ ПЕРЕДАЧА И КОНЕЧНАЯ ПЕРЕДАЧА
24
23
23
23
35
17
34
15
16
40
36
41
38
37
28
16
38
27
20
25
19
39
18
26
21
22
6
16
4
3
13
14
2
19
8
18
29
7
42
6
30
16
1
31
5
8
33
7
32
9
17
12
11
10
FIT
1:1
100%

Артикул

Название

Примечание

Количество

|$0

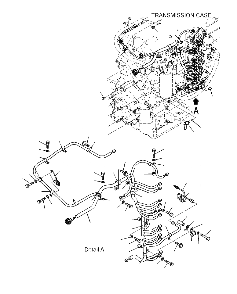
TRANSMISSION (SEE FIG. F4350-51A0 )

SN: A41001--UP

-1шт.

1

714-17-35813

WIRING HARNESS

SN: A41001--UP

1шт.

N/I

21J-06-13661

DIODE

SN: A41001--UP

1шт.

2

01010-81020

BOLT

SN: A41001--UP

1шт.

3

01643-31032

WASHER

SN: A41001--UP

1шт.

4

600-051-2220

CLIP

SN: A41001--UP

1шт.

5

600-051-2160

CLIP

SN: A41001--UP

1шт.

6

195-01-14540

COLLAR

SN: A41001--UP

2шт.

7

01010-81035

BOLT

SN: A41001--UP

2шт.

8

01643-31032

WASHER

SN: A41001--UP

2шт.

9

6164-11-5590

SPACER

SN: A41001--UP

1шт.

10

01010-81050

BOLT

SN: A41001--UP

1шт.

11

01643-31032

WASHER

SN: A41001--UP

1шт.

12

600-051-2100

CLIP

SN: A41001--UP

1шт.

13

04434-53211

CLIP

SN: A41001--UP

1шт.

14

07095-20523

CUSHION

SN: A41001--UP

1шт.

15

600-051-2100

CLIP

SN: A41001--UP

1шт.

16

600-051-2100

CLIP

SN: A41001--UP

5шт.

17

01435-01016

BOLT

SN: A41001--UP

2шт.

18

01010-81035

BOLT

SN: A41001--UP

2шт.

19

01643-31032

WASHER

SN: A41001--UP

2шт.

20

714-17-38760

BRACKET

SN: A41001--UP

1шт.

21

7861-93-3320

SENSOR

SN: A41001--UP

1шт.

22

600-051-2060

CLIP

SN: A41001--UP

1шт.

23

07049-01215

PLUG

SN: A41001--UP

9шт.

24

07049-01012

PLUG

SN: A41001--UP

1шт.

25

01010-81016

BOLT

SN: A41001--UP

1шт.

26

01643-31032

WASHER

SN: A41001--UP

1шт.

27

600-051-2240

CLIP

SN: A41001--UP

1шт.

28

01435-01016

BOLT

SN: A41001--UP

1шт.

29

6150-81-6940

SPACER

SN: A41001--UP

1шт.

30

04434-51710

CLIP

SN: A41001--UP

1шт.

31

01010-81075

BOLT

SN: A41001--UP

1шт.

32

01643-31032

WASHER

SN: A41001--UP

1шт.

33

07095-20211

CUSHION

SN: A41001--UP

1шт.

34

714-17-38131

ELBOW

SN: A41001--UP

1шт.

35

07002-62034

O-RING

SN: A41001--UP

1шт.

36

01010-81035

BOLT

SN: A41001--UP

1шт.

37

01643-31032

WASHER

SN: A41001--UP

1шт.

38

600-051-2100

CLIP

SN: A41001--UP

2шт.

39

195-01-14540

COLLAR

SN: A41001--UP

1шт.

40

01010-81025

BOLT

SN: A41001--UP

1шт.

41

01643-31032

WASHER

SN: A41001--UP

1шт.

42

08193-21012

CLIP

SN: A41001--UP

1шт.

Выбрано товаров: 44