Запчасти Komatsu WA430-6 F-A ПЕРЕДНИЙ МОСТ КРЕПЛЕНИЕ - СТАНДАРТН. И LSD СИЛОВАЯ ПЕРЕДАЧА И КОНЕЧНАЯ ПЕРЕДАЧА

Схема запчастей Komatsu WA430-6 - F-A ПЕРЕДНИЙ МОСТ КРЕПЛЕНИЕ - СТАНДАРТН. И LSD СИЛОВАЯ ПЕРЕДАЧА И КОНЕЧНАЯ ПЕРЕДАЧА
4
7
5
7
6
7
8
1
7
8
3
2
FIT
1:1
100%

Артикул

Название

Примечание

Количество

1

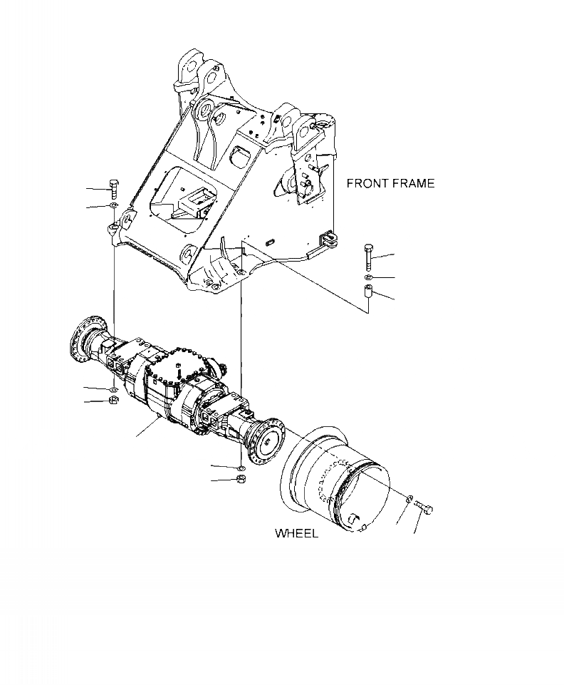
AXLE ASSEMBLY, FRONT (SEE FIG. F4400-51A0)

SN: A41001--UP

-1шт.

2

419-22-12870

BOLT

SN: A41001--UP

42шт.

3

01643-32460

WASHER

SN: A41001--UP

42шт.

4

421-09-12240

BOLT

SN: A41001--UP

4шт.

5

425-974-1161

BOLT

SN: A41001--UP

4шт.

6

421-09-42250

SPACER

SN: A41001--UP

4шт.

7

01643-33080

WASHER

SN: A41001--UP

16шт.

8

01580-03024

NUT

SN: A41001--UP

8шт.

Выбрано товаров: 8