Запчасти Komatsu WA430-6 H-A ОСНОВН. КЛАПАН ЭЛЕКТРИЧ. (2-Х СЕКЦИОНН. КЛАПАН, ECSS) ГИДРАВЛИКА

Схема запчастей Komatsu WA430-6 - H-A ОСНОВН. КЛАПАН ЭЛЕКТРИЧ. (2-Х СЕКЦИОНН. КЛАПАН, ECSS) ГИДРАВЛИКА
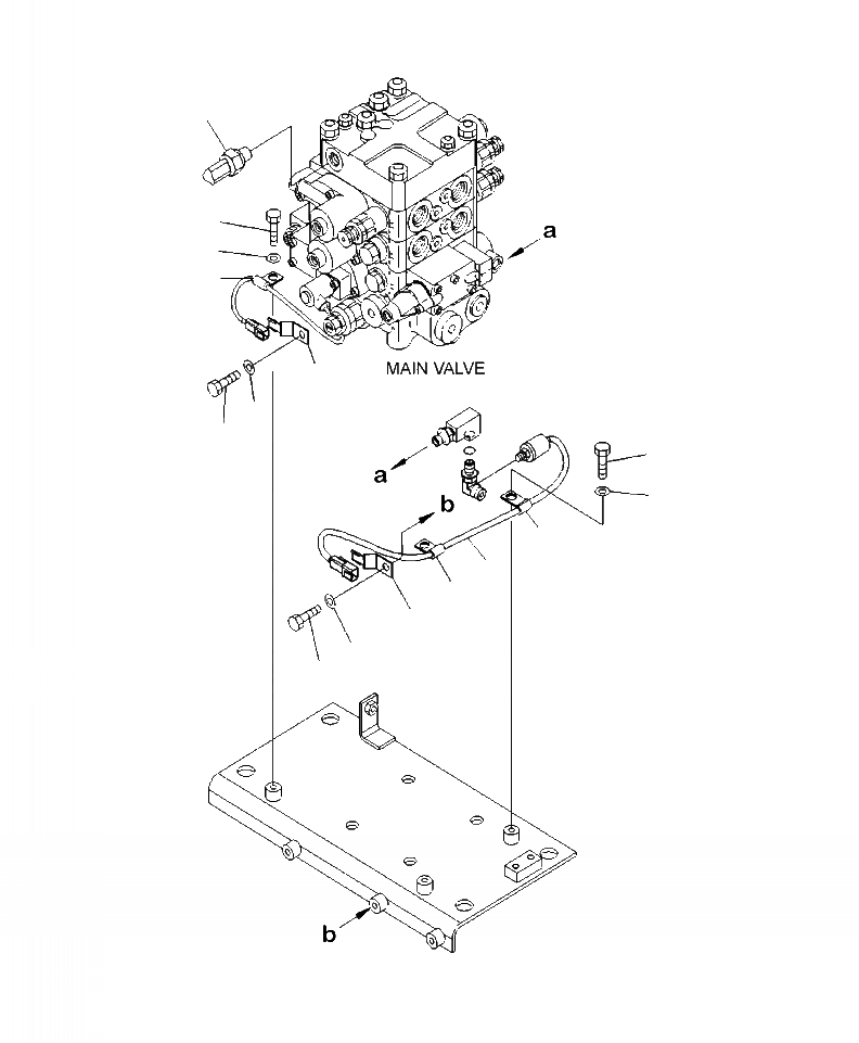
1
10
11
9
12
14
13
4
5
3
2
3
6
8
7
FIT
1:1
100%

Артикул

Название

Примечание

Количество

1

7861-93-1650

SENSOR, PRESSURE

SN: A41001--UP

1шт.

2

42C-06-15121

SWITCH

SN: A41001--UP

1шт.

3

04434-50612

CLIP

SN: A41001--UP

2шт.

4

01010-81020

BOLT

SN: A41001--UP

2шт.

5

01643-31032

WASHER

SN: A41001--UP

2шт.

6

08193-20010

CLIP

SN: A41001--UP

1шт.

7

01010-81020

BOLT

SN: A41001--UP

1шт.

8

01643-31032

WASHER

SN: A41001--UP

1шт.

9

04434-50612

CLIP

SN: A41001--UP

1шт.

10

01010-81020

BOLT

SN: A41001--UP

1шт.

11

01643-31032

WASHER

SN: A41001--UP

1шт.

12

08193-20010

CLIP

SN: A41001--UP

1шт.

13

01010-81020

BOLT

SN: A41001--UP

1шт.

14

01643-31032

WASHER

SN: A41001--UP

1шт.

Выбрано товаров: 14