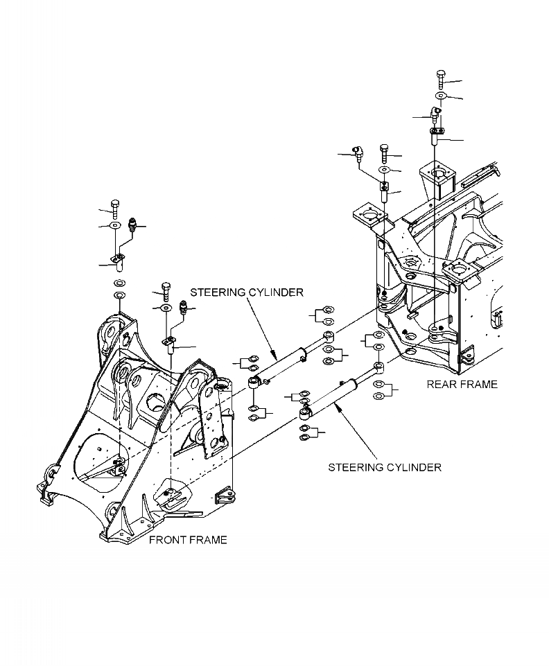
Запчасти Komatsu WA430-6 J-A ЦИЛИНДР РУЛЕВ. УПР-Я ПАЛЕЦ ОСНОВНАЯ РАМА И ЕЕ ЧАСТИ

Схема запчастей Komatsu WA430-6 - J-A ЦИЛИНДР РУЛЕВ. УПР-Я ПАЛЕЦ ОСНОВНАЯ РАМА И ЕЕ ЧАСТИ
3
4
8
2
8
3
4
2
3
4
7
1
3
4
7
5
5
1
5
6
5
6
6
6
FIT
1:1
100%

Артикул

Название

Примечание

Количество

1

423-46-21180

PIN, STEERING CYLINDER

SN: A41001--UP

2шт.

2

423-46-21180

PIN, STEERING CYLINDER

SN: A41001--UP

2шт.

3

01010-81220

BOLT

SN: A41001--UP

4шт.

4

175-54-34170

WASHER

SN: A41001--UP

4шт.

5

416-70-11351

SHIM, 1.0 MM

SN: A41001--UP

6шт.

|$5

424-46-12541

SHIM, 0.5 MM

SN: A41001--UP

2шт.

6

423-46-22171

SHIM, 1.0 MM

SN: A41001--UP

3шт.

|$7

423-46-22181

SHIM, 0.5 MM

SN: A41001--UP

2шт.

7

423-09-12110

CONNECTOR

SN: A41001--UP

1шт.

8

07020-00675

FITTING, GREASE

SN: A41001--UP

1шт.

Выбрано товаров: 10