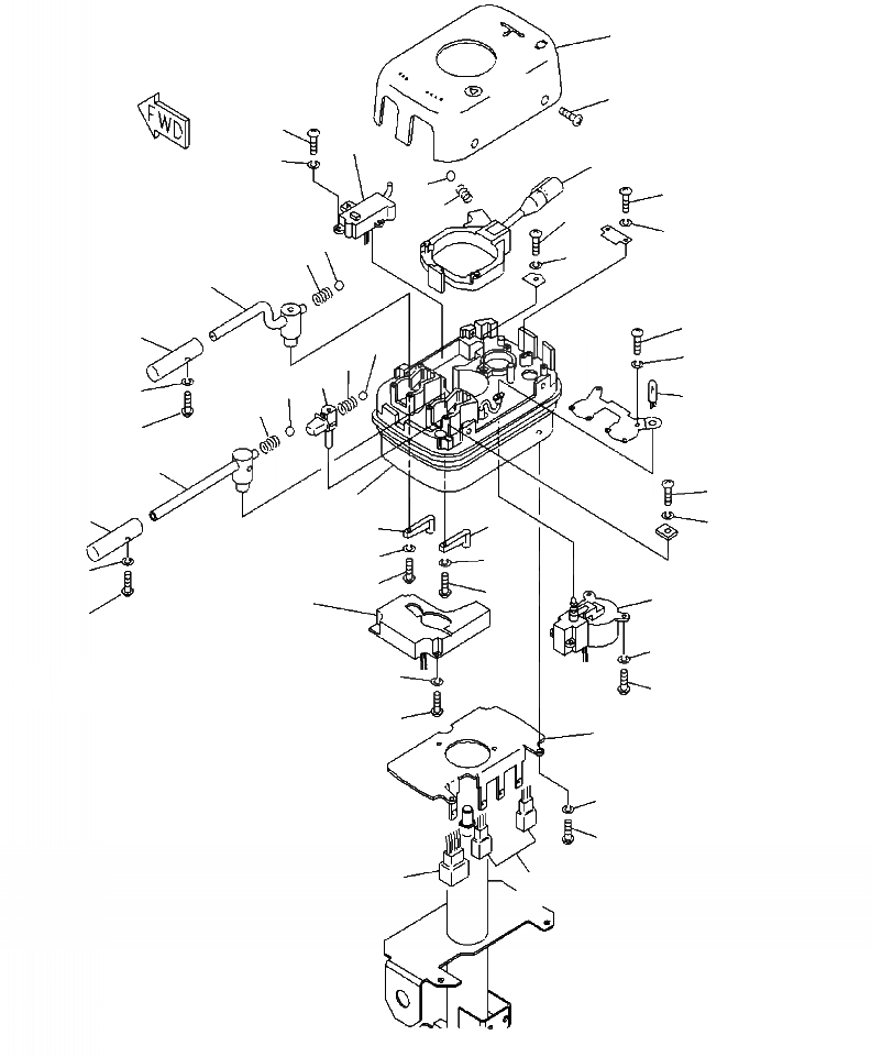
Запчасти Komatsu WA430-6 K-A КАБИНА ROPS УПРАВЛ-Е ТРАНСМИССИЕЙ ПЕРЕКЛЮЧАТЕЛЬ OPERATORXD S ОБСТАНОВКА И СИСТЕМА УПРАВЛЕНИЯ

Схема запчастей Komatsu WA430-6 - K-A КАБИНА ROPS УПРАВЛ-Е ТРАНСМИССИЕЙ ПЕРЕКЛЮЧАТЕЛЬ OPERATORXD S ОБСТАНОВКА И СИСТЕМА УПРАВЛЕНИЯ
20
21
26
4
14
28
25
16
25
15
28
8
28
7
5
25
6
19
28
18
17
12
27
22
11
23
9
25
1
10
13
28
13
27
27
27
24
24
3
2
23
28
28
26
26
1
27
23
30
29
FIT
1:1
100%

Артикул

Название

Примечание

Количество

1

423-43-46211

SWITCH, TRANSMISSION

SN: A41001--UP

1шт.

2

417-43-26212

SWITCH, FRONT AND SHIFT

SN: A41001--UP

1шт.

3

417-43-26221

SWITCH, RIGHT

SN: A41001--UP

1шт.

4

417-43-26230

SWITCH, HAZARD AND TURN SIGNAL

SN: A41001--UP

1шт.

|$4

421-43-26141

LEVER ASSEMBLY

SN: A41001--UP

1шт.

5

421-43-26151

LEVER

SN: A41001--UP

1шт.

6

417-43-26280

GRIP

SN: A41001--UP

1шт.

7

417-43-26290

SPRING

SN: A41001--UP

1шт.

8

417-43-26310

BALL

SN: A41001--UP

1шт.

|$9

421-43-36160

LEVER ASSEMBLY, SHIFT

SN: A41001--UP

1шт.

9

421-43-36170

LEVER, SHIFT

SN: A41001--UP

1шт.

10

417-43-26280

GRIP

SN: A41001--UP

1шт.

11

417-43-26290

SPRING

SN: A41001--UP

1шт.

12

417-43-26310

BALL

SN: A41001--UP

1шт.

13

417-43-26320

ARM, MAGNET

SN: A41001--UP

2шт.

14

417-43-26331

LEVER ASSEMBLY, TURN

SN: A41001--UP

1шт.

15

417-43-26340

SPRING

SN: A41001--UP

1шт.

16

417-43-26350

BALL

SN: A41001--UP

1шт.

17

417-43-26360

KNOB ASSEMBLY, LOCK

SN: A41001--UP

1шт.

18

417-43-26370

SPRING

SN: A41001--UP

1шт.

19

417-43-26380

BALL

SN: A41001--UP

1шт.

20

421-43-46120

CASE

SN: A41001--UP

1шт.

21

417-43-26410

SCREW

SN: A41001--UP

4шт.

22

7815-11-1010

BULB, 1.4W

SN: A41001--UP

1шт.

23

01023-10308

SCREW

SN: A41001--UP

6шт.

24

01023-10312

SCREW

SN: A41001--UP

2шт.

25

01023-10408

SCREW

SN: A41001--UP

10шт.

26

01023-10412

SCREW

SN: A41001--UP

11шт.

27

01601-20307

WASHER

SN: A41001--UP

8шт.

28

01601-20410

WASHER

SN: A41001--UP

21шт.

29

08055-10681

CONNECTOR

SN: A41001--UP

2шт.

30

08055-11481

CONNECTOR

SN: A41001--UP

1шт.

N/I

08055-10070

PLUG

SN: A41001--UP

6шт.

Выбрано товаров: 33