Запчасти Komatsu WA430-6 K7-A КОНДИЦ. ВОЗДУХА КОМПРЕССОР OPERATORXD S ОБСТАНОВКА И СИСТЕМА УПРАВЛЕНИЯ

Схема запчастей Komatsu WA430-6 - K7-A КОНДИЦ. ВОЗДУХА КОМПРЕССОР OPERATORXD S ОБСТАНОВКА И СИСТЕМА УПРАВЛЕНИЯ
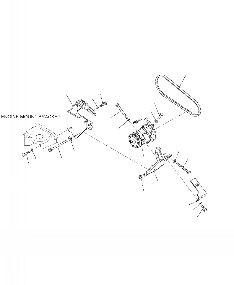
21
2
13
14
19
20
18
9
10
12
8
11
1
7
4
3
5
6
15
17
16
FIT
1:1
100%

Артикул

Название

Примечание

Количество

1

423-S62-4330

COMPRESSOR ASSEMBLY

SN: A41001--UP

1шт.

2

424-S62-4112

BRACKET

SN: A41001--UP

1шт.

3

01010-81445

BOLT

SN: A41001--UP

2шт.

4

01643-31445

WASHER

SN: A41001--UP

2шт.

5

424-S62-4122

BRACKET

SN: A41001--UP

1шт.

6

419-07-11761

COLLAR

SN: A41001--UP

1шт.

7

424-S62-4290

BOLT

SN: A41001--UP

1шт.

8

124-54-26540

WASHER

SN: A41001--UP

1шт.

9

424-S62-4310

BOLT

SN: A41001--UP

4шт.

10

01643-30823

WASHER

SN: A41001--UP

4шт.

11

01017-51430

BOLT

SN: A41001--UP

1шт.

12

01580-11411

NUT

SN: A41001--UP

1шт.

13

01010-81240

BOLT

SN: A41001--UP

1шт.

14

01643-31232

WASHER

SN: A41001--UP

1шт.

15

424-S62-4142

BRACKET

SN: A41001--UP

1шт.

16

01010-81025

BOLT

SN: A41001--UP

2шт.

17

01643-31032

WASHER

SN: A41001--UP

2шт.

18

600-051-2100

CLIP

SN: A41001--UP

1шт.

19

01010-81020

BOLT

SN: A41001--UP

1шт.

20

01643-31032

WASHER

SN: A41001--UP

1шт.

21

04120-21746

V-BELT

SN: A41001--UP

1шт.

Выбрано товаров: 21