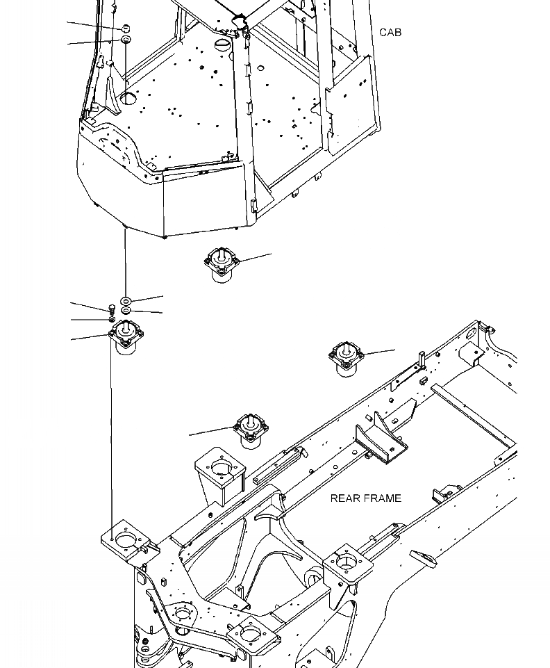
Запчасти Komatsu WA430-6 K-A ПОЛ СУППОРТ OPERATORXD S ОБСТАНОВКА И СИСТЕМА УПРАВЛЕНИЯ

Схема запчастей Komatsu WA430-6 - K-A ПОЛ СУППОРТ OPERATORXD S ОБСТАНОВКА И СИСТЕМА УПРАВЛЕНИЯ
5
4
1
6
2
4
3
1
1
1
FIT
1:1
100%

Артикул

Название

Примечание

Количество

1

423-54-41630

VISCOUS MOUNT

SN: A41001--UP

4шт.

2

01010-82055

BOLT

SN: A41001--UP

16шт.

3

01643-32060

WASHER

SN: A41001--UP

16шт.

4

01643-33080

WASHER

SN: A41001--UP

8шт.

5

01596-03024

NUT

SN: A41001--UP

4шт.

6

424-928-3130

SHIM

SN: A41001--UP

4шт.

Выбрано товаров: 6