Запчасти Komatsu WA430-6 K-B УПРАВЛЕНИЕ ПОГРУЗКОЙ PPC ШЛАНГИ (3-Х СЕКЦИОНН., MULTI-FUNCTION И НАВЕСН. ОБОРУД РЫЧАГ) (/) OPERATORXD S ОБСТАНОВКА И СИСТЕМА УПРАВЛЕНИЯ

Схема запчастей Komatsu WA430-6 - K-B УПРАВЛЕНИЕ ПОГРУЗКОЙ PPC ШЛАНГИ (3-Х СЕКЦИОНН., MULTI-FUNCTION И НАВЕСН. ОБОРУД РЫЧАГ) (/) OPERATORXD S ОБСТАНОВКА И СИСТЕМА УПРАВЛЕНИЯ
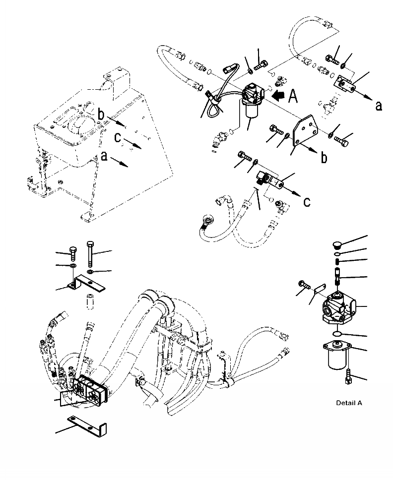
9
25
10
26
8
24
22
23
21
11
2
3
1
4
6
7
5
12
19
29
32
13
33
30
14
27
16
18
15
20
11
17
31
28
FIT
1:1
100%

Артикул

Название

Примечание

Количество

1

423-V91-4271

PLATE

SN: A41001--UP

1шт.

2

01010-81020

BOLT

SN: A41001--UP

2шт.

3

01643-31032

WASHER

SN: A41001--UP

2шт.

4

423-V91-4250

BLOCK

SN: A41001--UP

1шт.

5

02896-11009

O-RING

SN: A41001--UP

1шт.

6

01010-81020

BOLT

SN: A41001--UP

2шт.

7

01643-31032

WASHER

SN: A41001--UP

2шт.

8

423-V91-4281

BLOCK

SN: A41001--UP

1шт.

9

01010-81020

BOLT

SN: A41001--UP

2шт.

10

01643-31032

WASHER

SN: A41001--UP

2шт.

|$10

20Y-60-32110

VALVE ASSEMBLY

SN: A41001--UP

1шт.

11

20Y-60-32121

SOLENOID ASSEMBLY

SN: A41001--UP

1шт.

12

NY08000-02200

PLUG

SN: A41001--UP

1шт.

13

NY06339-10200

SPRING

SN: A41001--UP

1шт.

14

NY07493-10200

SPOOL

SN: A41001--UP

1шт.

15

NY09000-11400

PLATE

SN: A41001--UP

1шт.

16

NY84110-00264

SCREW

SN: A41001--UP

2шт.

17

NY81446-05010

BOLT

SN: A41001--UP

2шт.

18

NSS

BLOCK

SN: A41001--UP

1шт.

19

07000-12011

O-RING

SN: A41001--UP

1шт.

20

07000-12016

O-RING

SN: A41001--UP

1шт.

21

01010-80820

BOLT

SN: A41001--UP

2шт.

22

01643-30823

WASHER

SN: A41001--UP

2шт.

23

04434-51712

CLIP

SN: A41001--UP

1шт.

24

07095-20211

CUSHION

SN: A41001--UP

1шт.

25

01010-81020

BOLT

SN: A41001--UP

1шт.

26

01643-31032

WASHER

SN: A41001--UP

1шт.

27

423-43-48371

PLATE

SN: A41001--UP

1шт.

28

423-43-48382

BRACKET

SN: A41001--UP

1шт.

29

01010-81080

BOLT

SN: A41001--UP

1шт.

30

01643-31032

WASHER

SN: A41001--UP

1шт.

31

423-43-48161

CUSHION

SN: A41001--UP

2шт.

32

01010-81030

BOLT

SN: A41001--UP

1шт.

33

01643-31032

WASHER

SN: A41001--UP

1шт.

Выбрано товаров: 34