Запчасти Komatsu WA430-6 K-A УПРАВЛЕНИЕ ПОГРУЗКОЙ ДЖОЙСТИК КЛАПАН РУЛЕВОГО УПРАВЛЕНИЯ OPERATORXD S ОБСТАНОВКА И СИСТЕМА УПРАВЛЕНИЯ

Схема запчастей Komatsu WA430-6 - K-A УПРАВЛЕНИЕ ПОГРУЗКОЙ ДЖОЙСТИК КЛАПАН РУЛЕВОГО УПРАВЛЕНИЯ OPERATORXD S ОБСТАНОВКА И СИСТЕМА УПРАВЛЕНИЯ
5
2
8
7
5
7
6
5
4
3
1
FIT
1:1
100%

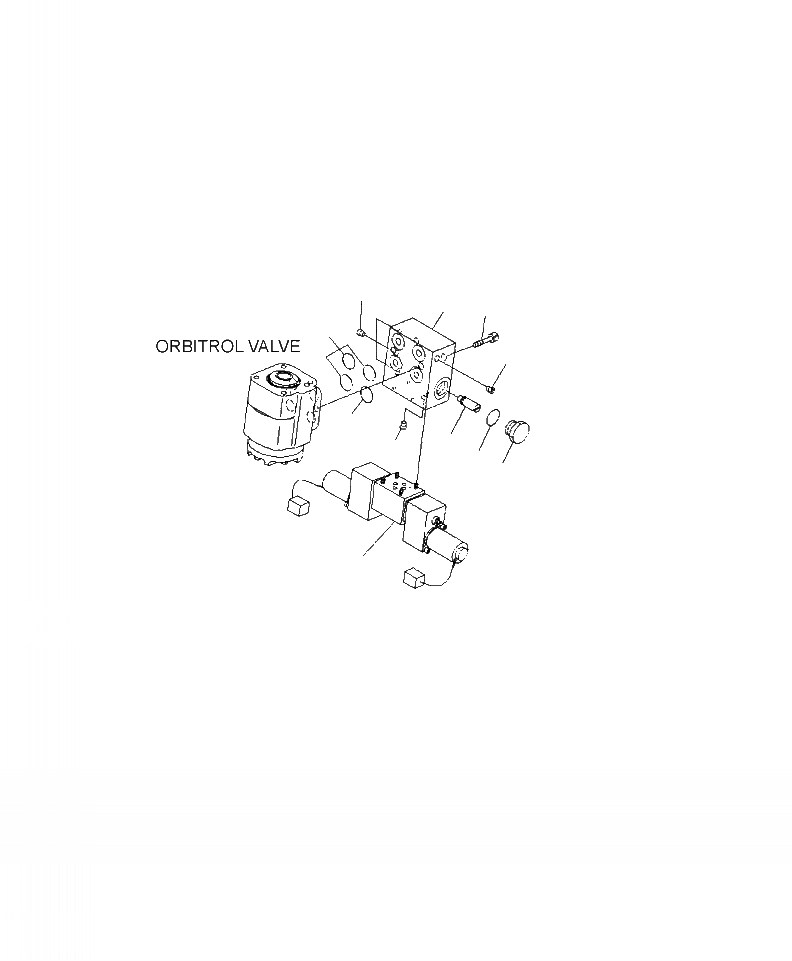
Артикул

Название

Примечание

Количество

1

421-S33-3911

VALVE ASSEMBLY

SN: A41001--UP

1шт.

|$1

421-S33-3921

BLOCK ASSEMBLY

SN: A41001--UP

1шт.

2

421-S33-3931

BLOCK

SN: A41001--UP

1шт.

3

421-S33-3940

PLUG

SN: A41001--UP

1шт.

4

07002-12434

O-RING

SN: A41001--UP

1шт.

5

07043-70108

PLUG

SN: A41001--UP

5шт.

6

22W-62-17190

FILTER

SN: A41001--UP

1шт.

7

07000-12022

O-RING

SN: A41001--UP

4шт.

8

02101-10651

BOLT

SN: A41001--UP

2шт.

Выбрано товаров: 9