Запчасти Komatsu WA430-6 K-7A УПРАВЛ-Е ТОРМОЗОМ ТОРМОЗНОЙ КЛАПАН ТРУБЫ (ЗАДН.) OPERATORXD S ОБСТАНОВКА И СИСТЕМА УПРАВЛЕНИЯ

Схема запчастей Komatsu WA430-6 - K-7A УПРАВЛ-Е ТОРМОЗОМ ТОРМОЗНОЙ КЛАПАН ТРУБЫ (ЗАДН.) OPERATORXD S ОБСТАНОВКА И СИСТЕМА УПРАВЛЕНИЯ
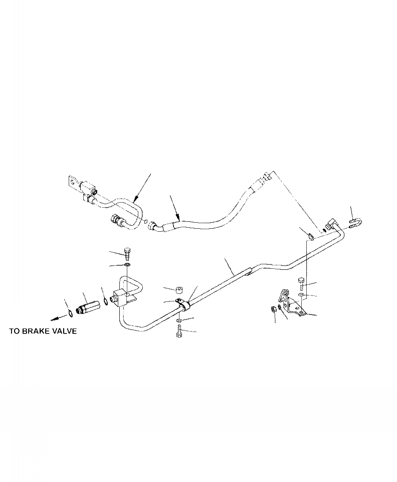
19
18
14
15
2
1
3
12
7
5
8
4
5
13
6
11
10
16
17
9
FIT
1:1
100%

Артикул

Название

Примечание

Количество

1

423-43-47570

TUBE

SN: A41001--UP

1шт.

2

01010-81025

BOLT

SN: A41001--UP

1шт.

3

01643-31032

WASHER

SN: A41001--UP

1шт.

4

423-43-47690

VALVE, CHECK

SN: A41001--UP

1шт.

N/I

07002-12034

O-RING

SN: A41001--UP

1шт.

5

02896-11012

O-RING

SN: A41001--UP

2шт.

6

04434-52112

CLIP

SN: A41001--UP

1шт.

7

07095-20314

CUSHION

SN: A41001--UP

1шт.

8

201-03-29160

SPACER

SN: A41001--UP

1шт.

9

01010-81035

BOLT

SN: A41001--UP

1шт.

10

01643-31032

WASHER

SN: A41001--UP

1шт.

11

424-43-47191

BRACKET

SN: A41001--UP

1шт.

12

01010-81025

BOLT

SN: A41001--UP

2шт.

13

01643-31032

WASHER

SN: A41001--UP

2шт.

14

07283-31537

CLIP

SN: A41001--UP

1шт.

15

07283-51523

SEAT

SN: A41001--UP

1шт.

16

01643-30823

WASHER

SN: A41001--UP

2шт.

17

01596-00807

NUT

SN: A41001--UP

2шт.

18

HOSE (SEE FIG. K4470-01A0 )

SN: A41001--UP

-1шт.

19

TUBE (SEE FIG. K4470-01A0 )

SN: A41001--UP

-1шт.

Выбрано товаров: 20