Запчасти Komatsu WA430-6 A-AB ТОПЛИВОПРОВОД. ДВИГАТЕЛЬ

Схема запчастей Komatsu WA430-6 - A-AB ТОПЛИВОПРОВОД. ДВИГАТЕЛЬ
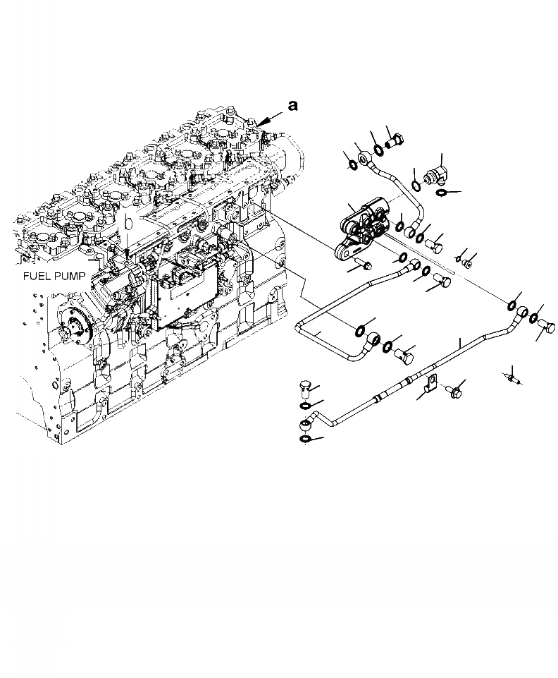
9
10
15
11
18
17
16
12
11
11
5
3
2
11
8
11
11
5
11
10
14
10
13
7
5
4
6
5
11
1
11
FIT
1:1
100%

Артикул

Название

Примечание

Количество

1

6745-71-5450

CLIP

1шт.

|$1

6732-21-1960

PLUG ASSEMBLY

1шт.

2

NSS

PLUG

1шт.

3

6215-81-9710

O-RING

1шт.

4

6745-81-9580

SCREW

2шт.

5

6732-71-6510

BOLT

4шт.

6

6732-61-3140

BOLT

1шт.

7

6732-71-5620

BOLT

1шт.

8

6744-71-1630

SCREW

2шт.

9

6754-71-5430

VALVE

1шт.

10

6731-74-5910

WASHER

2шт.

11

6745-71-1130

WASHER

8шт.

12

6745-71-5610

CONNECTOR, FUEL BLOCK

1шт.

13

6745-71-5440

TUBE

1шт.

14

6745-71-5460

TUBE

1шт.

15

6745-71-5470

TUBE

1шт.

|$16

6745-71-5770

ELBOW, MALE ADAPTER

1шт.

16

6735-21-4160

O-RING

1шт.

17

02896-11009

O-RING

1шт.

18

207-62-83950

ELBOW, MALE ADAPTER

1шт.

Выбрано товаров: 20