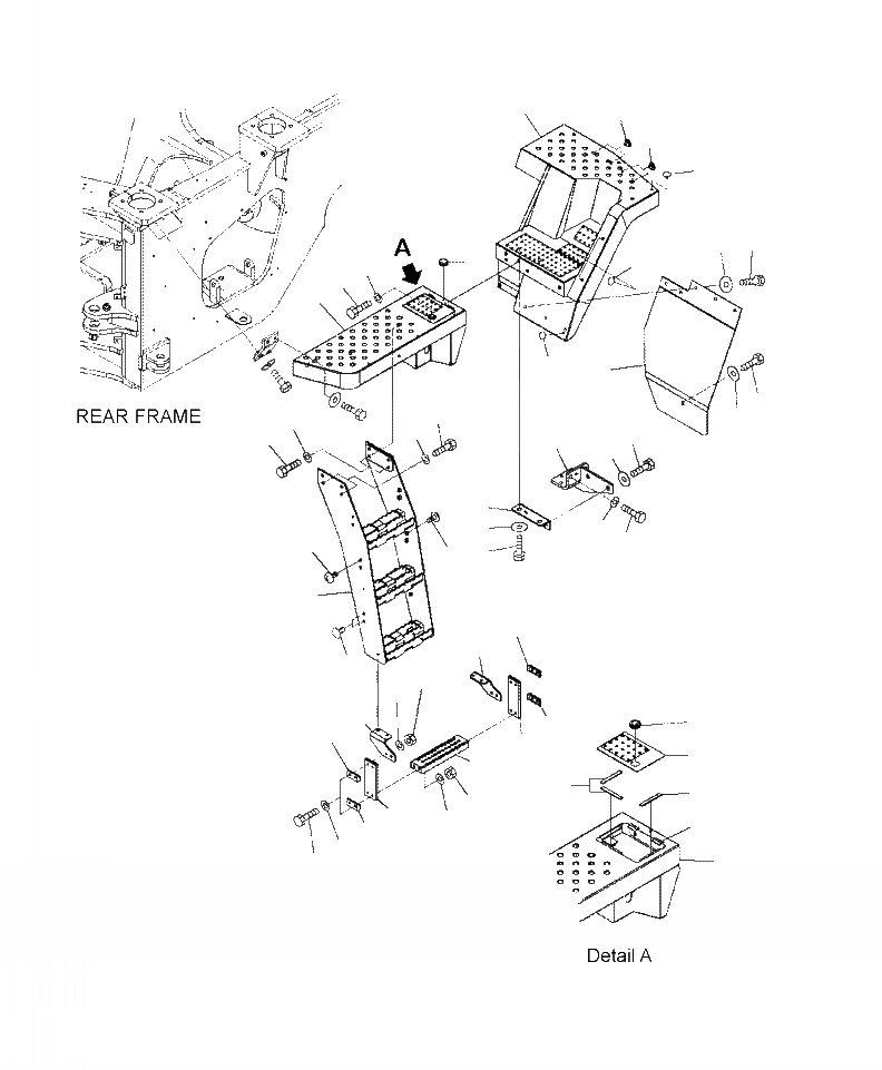
Запчасти Komatsu WA430-6 M-A ЛЕСТНИЦА ЛЕВ. ПОЛ ЧАСТИ КОРПУСА

Схема запчастей Komatsu WA430-6 - M-A ЛЕСТНИЦА ЛЕВ. ПОЛ ЧАСТИ КОРПУСА
1
12
12
15
21
22
16
15
5
4
2
15
20
21
18
19
22
19
8
18
6
11
7
11
10
31
9
8
31
17
27
25
32
29
30
24
14
27
27
26
2
23
13
13
29
26
30
3
27
30
2
28
FIT
1:1
100%

Артикул

Название

Примечание

Количество

1

424-54-44812

FLOOR, LADDER, REAR, L.H.

SN: A41001--UP

1шт.

2

424-54-44833

FLOOR, LADDER, FRONT, L.H.

SN: A41001--UP

1шт.

3

423-54-44390

HINGE (WELDED)

SN: A41001--UP

2шт.

4

01010-D1230

BOLT

SN: A41001--UP

4шт.

5

01643-71232

WASHER

SN: A41001--UP

4шт.

6

423-54-41320

BRACKET, L.H.

SN: A41001--UP

1шт.

7

423-54-44140

BRACKET

SN: A41001--UP

1шт.

8

01010-D1230

BOLT

SN: A41001--UP

4шт.

9

01010-D1230

BOLT

SN: A41001--UP

2шт.

10

01643-71232

WASHER

SN: A41001--UP

6шт.

11

421-03-31590

WASHER

SN: A41001--UP

4шт.

12

421-54-22990

PLUG

SN: A41001--UP

4шт.

13

418-54-22190

CUSHION

SN: A41001--UP

3шт.

14

08037-02512

GROMMET

SN: A41001--UP

1шт.

15

426-56-21990

PLUG

SN: A41001--UP

4шт.

16

09415-00506

CAP

SN: A41001--UP

1шт.

17

423-54-44850

LADDER

SN: A41001--UP

1шт.

18

01010-81235

BOLT

SN: A41001--UP

4шт.

19

01643-71232

WASHER

SN: A41001--UP

4шт.

20

423-54-44190

SHEET, L.H.

SN: A41001--UP

1шт.

21

01010-81025

BOLT

SN: A41001--UP

6шт.

22

421-54-34550

WASHER

SN: A41001--UP

6шт.

23

421-54-34611

STEP

SN: A41001--UP

1шт.

24

424-54-44951

PLATE

SN: A41001--UP

1шт.

25

424-54-44861

PLATE

SN: A41001--UP

1шт.

26

424-54-44881

RUBBER

SN: A41001--UP

2шт.

27

428-T86-1650

PLATE

SN: A41001--UP

4шт.

28

01010-81045

BOLT

SN: A41001--UP

8шт.

29

01596-01009

NUT

SN: A41001--UP

8шт.

30

01643-71032

WASHER

SN: A41001--UP

16шт.

31

22L-46-12150

CAP

SN: A41001--UP

2шт.

32

416-54-34230

PLUG

SN: A41001--UP

2шт.

Выбрано товаров: 32