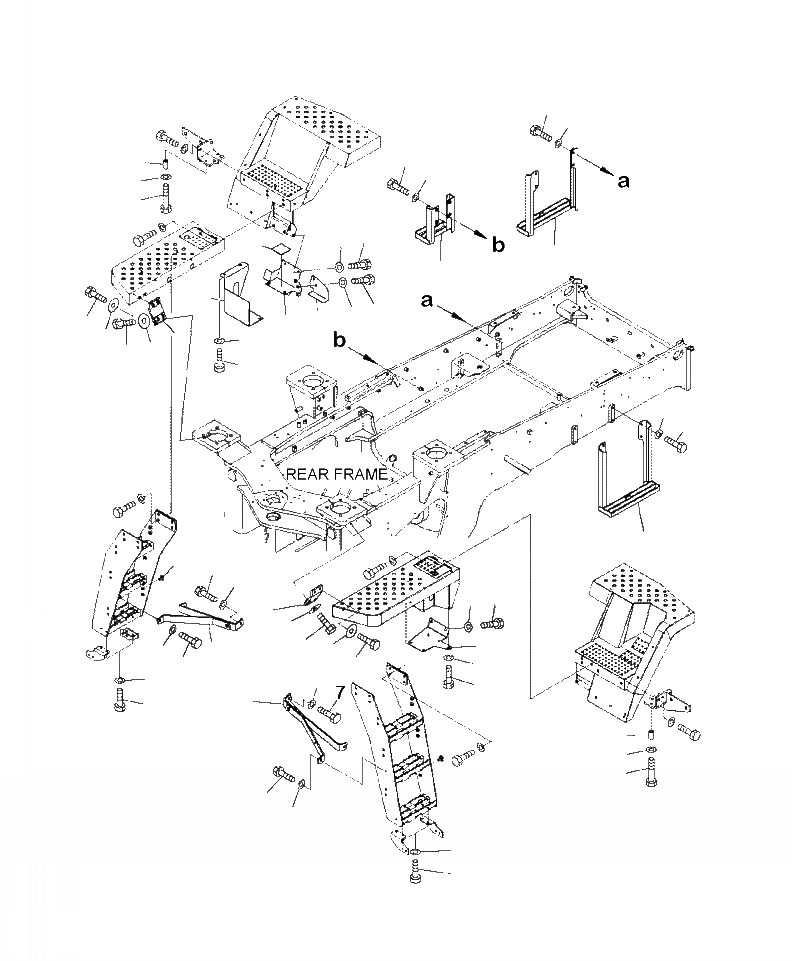
Запчасти Komatsu WA430-6 M-A ЛЕСТНИЦА СУППОРТ КРЕПЛЕНИЕ И COVER ЧАСТИ КОРПУСА

Схема запчастей Komatsu WA430-6 - M-A ЛЕСТНИЦА СУППОРТ КРЕПЛЕНИЕ И COVER ЧАСТИ КОРПУСА
28
29
30
31
2
1
20
21
3
23
26
27
18
24
25
22
19
11
13
6
21
13
12
20
29
28
26
14
7
8
16
6
13
15
12
5
13
8
17
11
7
10
8
16
4
9
14
3
2
1
7
8
10
9
17
FIT
1:1
100%

Артикул

Название

Примечание

Количество

1

01010-D1280

BOLT

SN: A41001--UP

8шт.

2

01643-71232

WASHER

SN: A41001--UP

8шт.

3

423-54-44211

SPACER

SN: A41001--UP

8шт.

4

424-54-44963

BRACKET, L.H.

SN: A41001--UP

1шт.

5

424-54-44971

BRACKET, R.H.

SN: A41001--UP

1шт.

6

423-54-44360

BRACKET

SN: A41001--UP

2шт.

7

01010-81230

BOLT

SN: A41001--UP

6шт.

8

01643-71232

WASHER

SN: A41001--UP

6шт.

9

01010-81025

BOLT

SN: A41001--UP

8шт.

10

01643-71032

WASHER

SN: A41001--UP

8шт.

11

01010-81240

BOLT

SN: A41001--UP

4шт.

12

01010-81245

BOLT

SN: A41001--UP

4шт.

13

175-54-34170

WASHER

SN: A41001--UP

8шт.

14

416-54-34230

PLUG

SN: A41001--UP

2шт.

15

424-54-44911

COVER

SN: A41001--UP

1шт.

16

01010-D1020

BOLT

SN: A41001--UP

5шт.

17

01643-71032

WASHER

SN: A41001--UP

5шт.

18

424-54-44921

COVER

SN: A41001--UP

1шт.

19

424-54-44981

COVER

SN: A41001--UP

1шт.

20

01010-D1020

BOLT

SN: A41001--UP

6шт.

21

01643-71032

WASHER

SN: A41001--UP

6шт.

22

424-54-44790

COVER

SN: A41001--UP

1шт.

23

424-54-44990

SHEET

SN: A41001--UP

1шт.

24

01010-D1020

BOLT

SN: A41001--UP

2шт.

25

01643-71032

WASHER

SN: A41001--UP

2шт.

26

424-46-42150

STEP

SN: A41001--UP

2шт.

|$33

OR

26

-1шт.

26

424-974-4140

STEP (LOGGING SPEC)

SN: A41001--UP

2шт.

27

423-46-44210

STEP

SN: A41001--UP

1шт.

28

01010-D1225

BOLT

SN: A41001--UP

8шт.

29

01643-71232

WASHER

SN: A41001--UP

8шт.

30

01010-81230

BOLT

SN: A41001--UP

4шт.

31

01643-71232

WASHER

SN: A41001--UP

4шт.

Выбрано товаров: 33