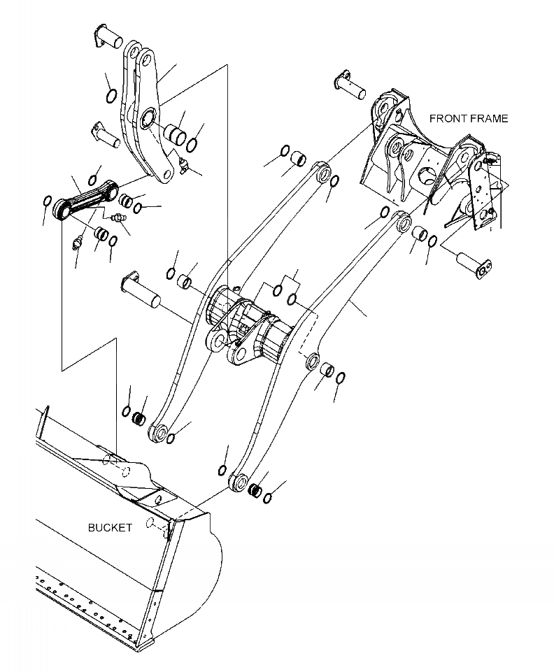
Запчасти Komatsu WA430-6 T-A СТРЕЛА И BELL CRANK 2-Х СЕКЦИОНН. КЛАПАН И 3-Х СЕКЦИОНН. КЛАПАН РАБОЧЕЕ ОБОРУДОВАНИЕ

Схема запчастей Komatsu WA430-6 - T-A СТРЕЛА И BELL CRANK 2-Х СЕКЦИОНН. КЛАПАН И 3-Х СЕКЦИОНН. КЛАПАН РАБОЧЕЕ ОБОРУДОВАНИЕ
7
9
8
9
13
11
6
10
3
12
13
6
13
6
14
6
2
12
3
6
13
6
14
4
5
1
2
6
5
5
1
5
FIT
1:1
100%

Артикул

Название

Примечание

Количество

|$0

424-70-A2302

BOOM ASSEMBLY

SN: A41001--UP

1шт.

1

423-70-21810

BUSHING

SN: A41001--UP

2шт.

2

424-70-11770

BUSHING

SN: A41001--UP

2шт.

3

424-70-11890

BUSHING

SN: A41001--UP

2шт.

4

NSS

BOOM

SN: A41001--UP

1шт.

5

424-09-12320

SEAL, DUST

SN: A41001--UP

4шт.

6

421-09-11310

SEAL, DUST

SN: A41001--UP

8шт.

|$7

423-70-A4200

BELL CRANK ASSEMBLY

SN: A41001--UP

1шт.

7

NSS

BELL CRANK

SN: A41001--UP

1шт.

8

424-70-11860

BUSHING

SN: A41001--UP

1шт.

9

421-09-11350

SEAL, DUST

SN: A41001--UP

2шт.

10

07020-00900

FITTING, GREASE

SN: A41001--UP

1шт.

|$12

423-70-31300

LINK ASSEMBLY

SN: A41001--UP

1шт.

11

NSS

LINK

SN: A41001--UP

1шт.

12

424-70-11820

BUSHING

SN: A41001--UP

2шт.

13

424-09-12320

SEAL, DUST

SN: A41001--UP

4шт.

14

07020-00000

FITTING, GREASE

SN: A41001--UP

2шт.

Выбрано товаров: 17