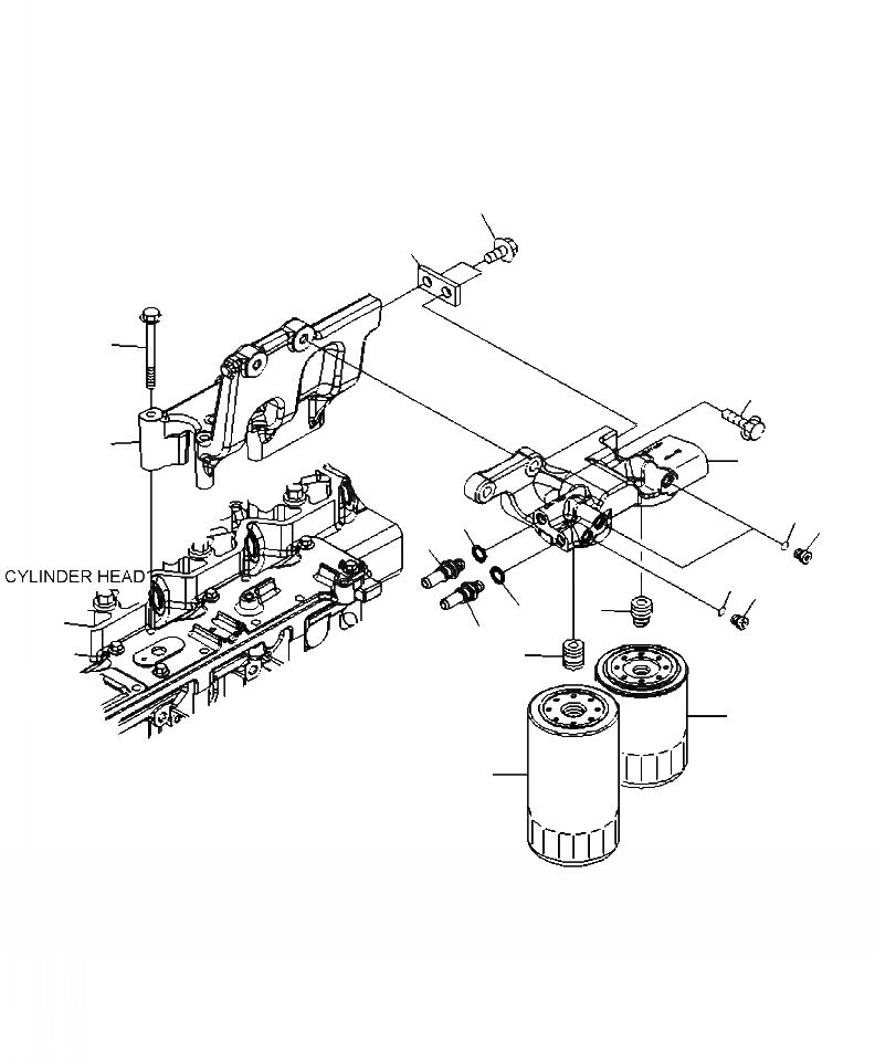
Запчасти Komatsu WA430-6 A9-AA ТОПЛИВН. ФИЛЬТР. (ORIGINAL RELEASE) ДВИГАТЕЛЬ

Схема запчастей Komatsu WA430-6 - A9-AA ТОПЛИВН. ФИЛЬТР. (ORIGINAL RELEASE) ДВИГАТЕЛЬ
13
14
2
12
1
10
4
6
3
7
4
3
8
6
7
9
5
11
FIT
1:1
100%

Артикул

Название

Примечание

Количество

1

6745-71-6240

SUPPORT, FILTER

1шт.

2

6732-11-4150

BOLT (M8-1.25x90)

5шт.

|$2

6732-21-1960

PLUG ASSEMBLY, THREADED

3шт.

3

NSS

PLUG

1шт.

4

6215-81-9710

O-RING

1шт.

5

600-411-1191

CORROSION RESISTOR

1шт.

6

6745-71-1130

WASHER

2шт.

7

6745-71-6130

CONNECTOR

2шт.

8

6745-71-6170

ADAPTER, FILTER HEAD

1шт.

9

6754-71-6330

ADAPTER, FILTER HEAD

1шт.

10

6745-71-6150

HEAD, FUEL FILTER

1шт.

11

6754-79-6130

CARTRIDGE, FUEL FILTER

1шт.

12

6732-22-3110

BOLT

2шт.

13

6731-61-4250

BOLT (10-1.50x25)

2шт.

14

6745-71-6230

BRACE, FILTER

1шт.

Выбрано товаров: 15