Запчасти Komatsu WA430-6 A7-AA ПОДОГРЕВАТЕЛЬ ВПУСКА ВОЗДУХА И СОЕДИН-Е ДВИГАТЕЛЬ

Схема запчастей Komatsu WA430-6 - A7-AA ПОДОГРЕВАТЕЛЬ ВПУСКА ВОЗДУХА И СОЕДИН-Е ДВИГАТЕЛЬ
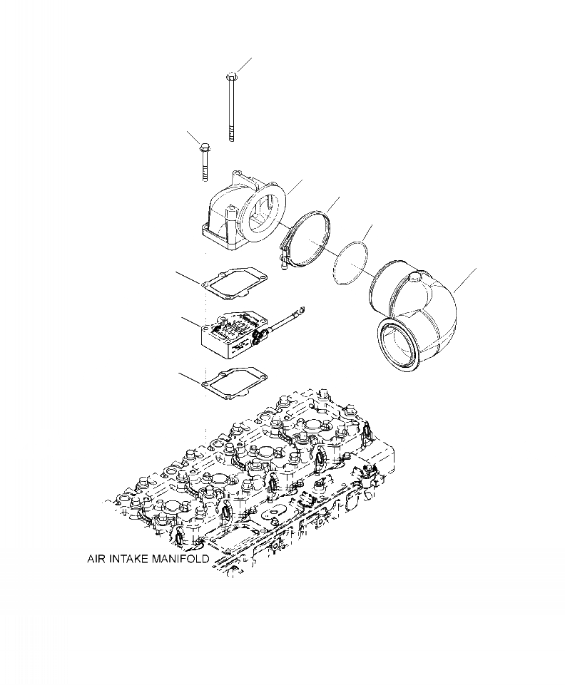
5
6
1
3
4
2
7
8
7
FIT
1:1
100%

Артикул

Название

Примечание

Количество

1

6745-11-4190

CONNECTION, AIR INTAKE

1шт.

2

6745-11-4130

CONNECTION, AIR TRANSFER

1шт.

3

6745-11-4150

CLAMP, V-BAND

1шт.

4

6745-11-4161

SEAL, O-RING

1шт.

5

6745-11-4180

BOLT (M8-1.25x160)

2шт.

6

6736-81-8730

BOLT (M8-1.25x80)

2шт.

7

6745-81-4120

GASKET, CONNECTION

1шт.

8

6745-81-4111

HEATER, AIR INTAKE

1шт.

N/I

6732-81-4630

DECAL, DO NOT USE ETHER

1шт.

Выбрано товаров: 9