Запчасти Komatsu WA430-6 F-A ГИДРОТРАНСФОРМАТОР И ТРАНСМИССИЯ ЭКСТРЕНН. РУЛЕВ. УПРАВЛЕНИЕ МОТОР СИЛОВАЯ ПЕРЕДАЧА И КОНЕЧНАЯ ПЕРЕДАЧА

Схема запчастей Komatsu WA430-6 - F-A ГИДРОТРАНСФОРМАТОР И ТРАНСМИССИЯ ЭКСТРЕНН. РУЛЕВ. УПРАВЛЕНИЕ МОТОР СИЛОВАЯ ПЕРЕДАЧА И КОНЕЧНАЯ ПЕРЕДАЧА
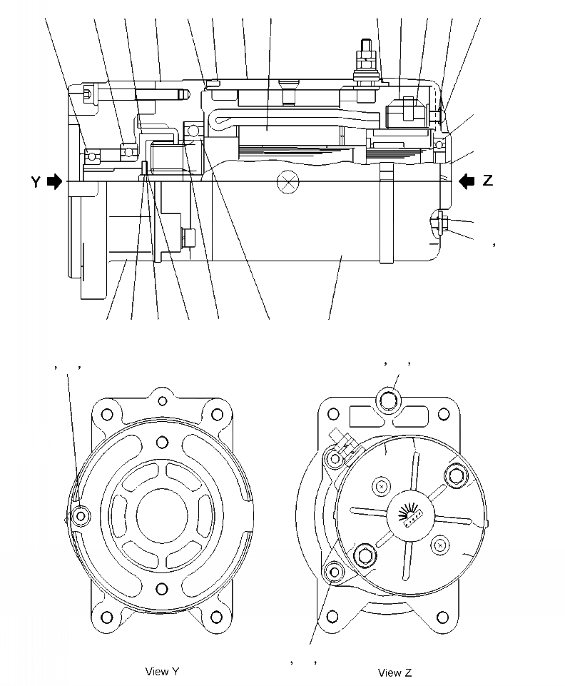
30
1
29
3
5
10
7
8
20
15
9
14
12
6
13
15
18
24
11
23
2
4
22
21
25
19
26
28
16
26
27
17
26
27
FIT
1:1
100%

Артикул

Название

Примечание

Количество

|$0

421-62-32700

MOTOR ASSEMBLY, EMERGENCY STEERING

1шт.

1

KD0-23100-0261

ARMATURE ASSEMBLY

1шт.

2

KD0-51200-2820

YOKE ASSEMBLY

1шт.

3

KD0-51111-1340

SHAFT

1шт.

4

KD0-51311-2030

BRACKET

1шт.

5

KD0-23611-0720

BRACKET

1шт.

6

KD0-23711-0424

BRACKET

1шт.

7

KD0-23750-0490

BRUSH HOLDER ASSEMBLY

1шт.

8

KD0-23740-0351

BRUSH ASSEMBLY

4шт.

9

KD1-0454-60054

BEARING

1шт.

10

KD1-0454-60064

BEARING

1шт.

11

KD1-0454-62054

BEARING

1шт.

12

KD1-0456-62004

BEARING

1шт.

13

KD1-23951-0050

PACKING

1шт.

14

KD1-09211-1120

O-RING

1шт.

15

KD1-09211-0081

O-RING

4шт.

16

KD1-0240-08655

BOLT

1шт.

17

KD1-0240-08405

BOLT

2шт.

18

KD0-09001-4460

BOLT

2шт.

19

KD0-0080-08202

BOLT

1шт.

20

KD0-09011-3140

SCREW

2шт.

21

KD0-51921-0430

WASHER

1шт.

22

KD1-23921-0140

WASHER

1шт.

23

KD0-09057-0110

WASHER

1шт.

24

KD1-47921-0790

WASHER

2шт.

25

KD1-23941-0040

WASHER

1шт.

26

KD1-0335-08002

WASHER

4шт.

27

KD1-0330-08022

WASHER

3шт.

28

KD1-0330-08012

WASHER

1шт.

29

KD1-0400-30100

PIN

1шт.

30

KD0-09271-3760

NAME PLATE

1шт.

Выбрано товаров: 31