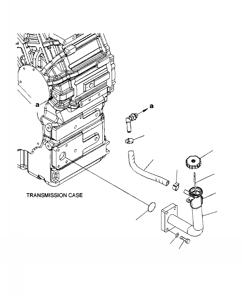
Запчасти Komatsu WA430-6 F-A ГИДРОТРАНСФОРМАТОР И ТРАНСМИССИЯ НАПОЛНИТЕЛЬ ТРУБКА СИЛОВАЯ ПЕРЕДАЧА И КОНЕЧНАЯ ПЕРЕДАЧА

Схема запчастей Komatsu WA430-6 - F-A ГИДРОТРАНСФОРМАТОР И ТРАНСМИССИЯ НАПОЛНИТЕЛЬ ТРУБКА СИЛОВАЯ ПЕРЕДАЧА И КОНЕЧНАЯ ПЕРЕДАЧА
8
2
9
8
4
3
1
5
7
6
FIT
1:1
100%

Артикул

Название

Примечание

Количество

1

714-12-38510

TUBE, FILLER

1шт.

|$1

6136-21-7120

CAP ASSEMBLY

1шт.

2

6136-21-7180

GASKET

1шт.

3

6136-21-7190

CHAIN

1шт.

4

419-15-14424

GAUGE, TRANSMISSION FILLER

4шт.

5

07000-12065

O-RING

1шт.

6

01010-81045

BOLT

1шт.

7

01643-31032

WASHER

1шт.

8

09479-02400

CLAMP

2шт.

9

07260-21428

HOSE

1шт.

Выбрано товаров: 0