Запчасти Komatsu WA430-6 F-A ТРАНСМИССИЯ ОСНОВН. РАЗГРУЗ. КЛАПАН КРЕПЛЕНИЕ - СТАНДАРТН. СИЛОВАЯ ПЕРЕДАЧА И КОНЕЧНАЯ ПЕРЕДАЧА

Схема запчастей Komatsu WA430-6 - F-A ТРАНСМИССИЯ ОСНОВН. РАЗГРУЗ. КЛАПАН КРЕПЛЕНИЕ - СТАНДАРТН. СИЛОВАЯ ПЕРЕДАЧА И КОНЕЧНАЯ ПЕРЕДАЧА
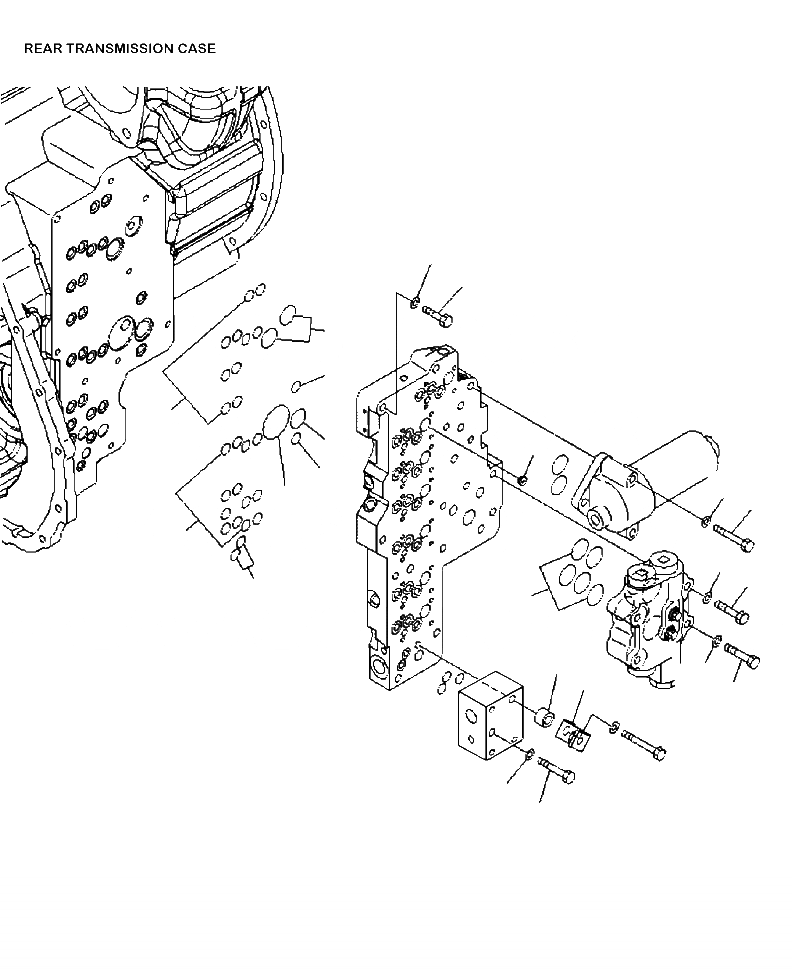
8
7
15
16
16
4
15
16
10
18
9
16
3
2
17
1
6
12
5
11
14
13
FIT
1:1
100%

Артикул

Название

Примечание

Количество

|$21

TRANSMISSION ( SEE FIG. F4350-51A0 )

0

-1шт.

|$22

.VALVE ASSEMBLY, MAIN ( SEE FIG. F4350- 58A0 )

1

-1шт.

1

07000-73030

O-RING

5шт.

2

01010-81065

BOLT

2шт.

3

01643-31032

WASHER

2шт.

4

714-07-35180

ORIFICE

2шт.

5

421-06-31351

PLATE

1шт.

6

195-01-14540

COLLAR

1шт.

7

01010-81060

BOLT

6шт.

8

01643-31032

WASHER

6шт.

9

01011-81025

BOLT

1шт.

10

01643-31032

WASHER

1шт.

11

01011-81005

BOLT

2шт.

12

01643-31032

WASHER

2шт.

13

01011-81015

BOLT

1шт.

14

01643-31032

WASHER

1шт.

15

07000-73028

O-RING

3шт.

16

07000-72015

O-RING

25шт.

17

07000-72012

O-RING

2шт.

18

07000-73045

O-RING

1шт.

|$20

714-15-05040

SERVICE KIT, TRANSMISSION

1шт.

|$23

21

-1шт.

|$24

F1 - PART INCLUDED IN SERVICE KIT

22

-1шт.

Выбрано товаров: 23