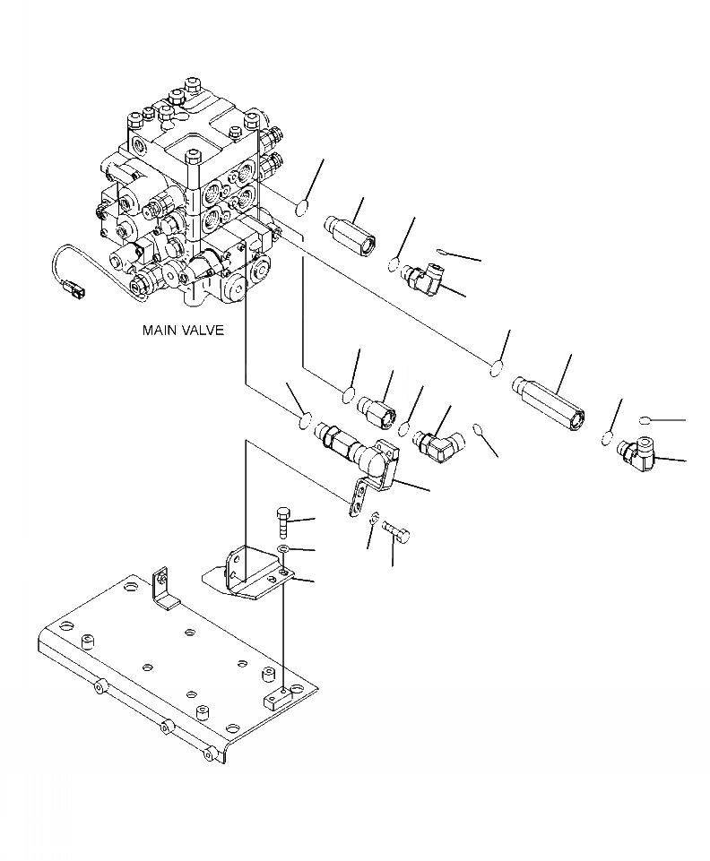
Запчасти Komatsu WA430-6 H-A ОСНОВН. КЛАПАН ПОДАЮЩ. ПАТРУБОК (2-Х СЕКЦИОНН., ECSS) ГИДРАВЛИКА

Схема запчастей Komatsu WA430-6 - H-A ОСНОВН. КЛАПАН ПОДАЮЩ. ПАТРУБОК (2-Х СЕКЦИОНН., ECSS) ГИДРАВЛИКА
4
1
6
7
5
2
12
3
11
14
9
6
8
7
5
10
13
16
17
19
18
15
FIT
1:1
100%

Артикул

Название

Примечание

Количество

1

423-62-34460

JOINT

1шт.

2

07000-B3024

O-RING

1шт.

3

423-62-43120

JOINT

1шт.

4

07000-B3024

O-RING

1шт.

5

02782-10628

ELBOW

2шт.

6

07002-62434

O-RING

2шт.

7

02896-61018

O-RING

2шт.

8

02782-10628

ELBOW

1шт.

9

07002-62434

O-RING

1шт.

10

02896-61018

O-RING

1шт.

11

423-62-36940

JOINT

1шт.

12

07000-B3024

O-RING

1шт.

13

423-62-43411

ELBOW

1шт.

14

07000-B3024

O-RING

1шт.

15

423-62-43111

BRACKET

1шт.

16

01010-81020

BOLT

2шт.

17

01643-31032

WASHER

2шт.

18

01010-81025

BOLT

2шт.

19

01643-31032

WASHER

2шт.

Выбрано товаров: 0