Запчасти Komatsu WA430-6 H-A ОСНОВН. КЛАПАН ПАТРУБОК (2-Х СЕКЦИОНН., ECSS) ГИДРАВЛИКА

Схема запчастей Komatsu WA430-6 - H-A ОСНОВН. КЛАПАН ПАТРУБОК (2-Х СЕКЦИОНН., ECSS) ГИДРАВЛИКА
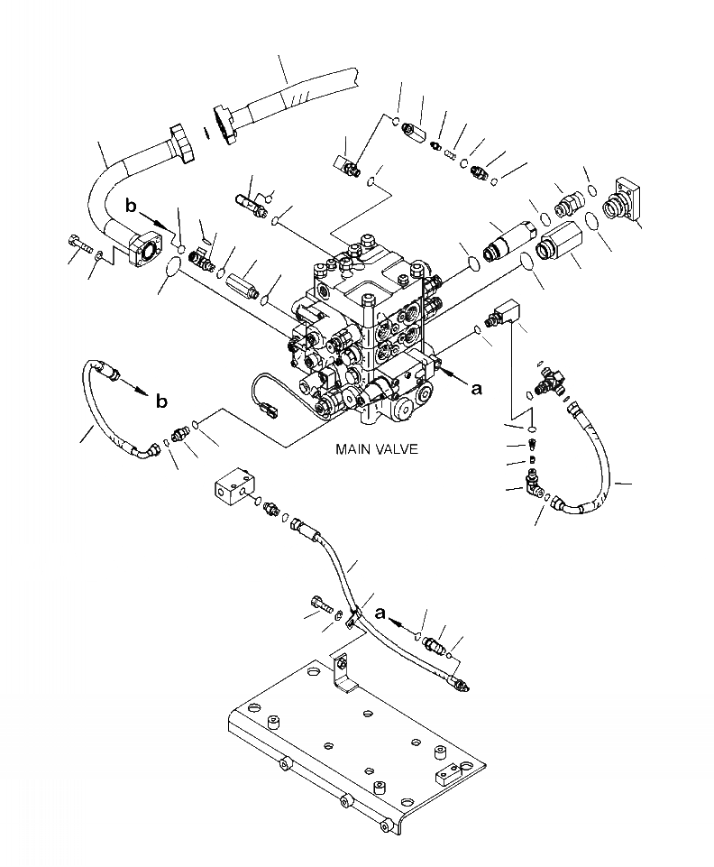
51
17
12
13
14
15
10
22
16
11
18
9
19
7
21
8
20
47
48
5
45
6
46
3
49
4
50
24
1
25
2
23
26
27
32
30
43
44
41
29
42
33
28
31
37
38
36
34
39
35
40
FIT
1:1
100%

Артикул

Название

Примечание

Количество

1

203-62-63740

JOINT

1шт.

2

07002-13334

O-RING

1шт.

3

203-973-5750

NIPPLE

1шт.

4

07002-13334

O-RING

1шт.

5

423-62-34442

JOINT

1шт.

6

07000-B3024

O-RING

1шт.

7

02781-00628

UNION

1шт.

8

07002-62434

O-RING

1шт.

9

02896-61018

O-RING

1шт.

10

20Y-62-23541

ELBOW

1шт.

11

07002-11423

O-RING

1шт.

|$11

20Y-62-41701

VALVE ASSEMBLY

1шт.

12

20Y-60-22210

BODY

1шт.

13

20Y-60-22270

POPPET

1шт.

14

701-20-61230

SPRING

1шт.

15

07002-11423

O-RING

1шт.

16

20Y-62-47630

NIPPLE

1шт.

17

07002-11423

O-RING

1шт.

18

02896-11008

O-RING

1шт.

19

02782-10212

ELBOW

1шт.

20

07002-11423

O-RING

1шт.

21

02896-11008

O-RING

1шт.

22

423-62-34190

TUBE

1шт.

23

07000-13035

O-RING

1шт.

24

07372-21040

BOLT

4шт.

25

01643-51032

WASHER

4шт.

26

21W-62-35820

ELBOW

1шт.

27

07002-11423

O-RING

1шт.

|$28

423-62-43590

VALVE ASSEMBLY

1шт.

28

423-62-43610

ELBOW

1шт.

29

203-60-62320

POPPET

1шт.

30

423-62-35310

PLUG

1шт.

31

02896-11009

O-RING

1шт.

32

07002-11423

O-RING

1шт.

33

02761-00303

HOSE

1шт.

34

02782-10210

ELBOW

1шт.

35

02896-11008

O-RING

1шт.

36

07002-11423

O-RING

1шт.

37

423-62-43620

HOSE

1шт.

38

04434-51012

CLIP

1шт.

39

01010-81020

BOLT

1шт.

40

01643-31032

WASHER

1шт.

41

02781-0021D

UNION

1шт.

42

02896-11008

O-RING

1шт.

43

07002-11423

O-RING

1шт.

44

423-62-43740

HOSE

1шт.

45

20Y-62-45710

TEE

1шт.

46

07002-11423

O-RING

1шт.

47

02896-11009

O-RING

1шт.

48

02896-11008

O-RING

1шт.

49

207-62-62460

ADAPTER

1шт.

50

07002-11423

O-RING

1шт.

51

HOSE ( SEE FIG. H4200-03A0 )

-1шт.

Выбрано товаров: 53