Запчасти Komatsu WA430-6 H-9AA ГИДР. НАСОС. РУЛЕВ. УПРАВЛЕНИЕ (/) заводской номер A- ГИДРАВЛИКА

Схема запчастей Komatsu WA430-6 - H-9AA ГИДР. НАСОС. РУЛЕВ. УПРАВЛЕНИЕ (/) заводской номер A- ГИДРАВЛИКА
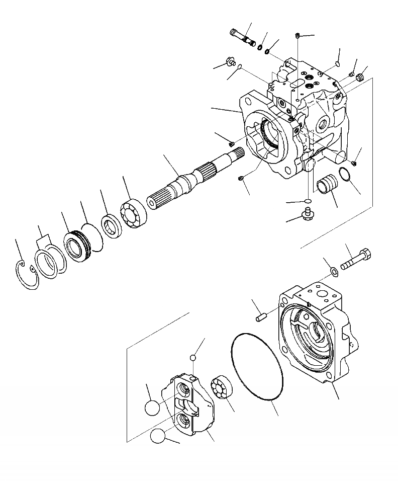
15
16
17
2
10
2
11
5
6
1
2
2
23
24
26
27
4
2
8
25
3
28
7
29
13
14
12
22
20
18
19
9
20
21
FIT
1:1
100%

Артикул

Название

Примечание

Количество

|$0

PUMP, STEERING ( SEE FIG. H0210-01A0 )

SN: A42024--UP

-1шт.

|$1

NSS

PUMP SUBASSEMBLY

SN: A42024--UP

1шт.

|$2

NSS

CASE ASSEMBLY

SN: A42024--UP

1шт.

1

NSS

CASE, PUMP

SN: A42024--UP

1шт.

2

NSS

PLUG

SN: A42024--UP

7шт.

3

708-1W-44311

SLEEVE

1шт.

4

708-1W-44220

RING

1шт.

5

708-8E-16160

PLUG

2шт.

6

07002-11023

O-RING

2шт.

7

07040-11409

PLUG

1шт.

8

07002-11423

O-RING

1шт.

9

706-73-42370

O-RING

1шт.

10

07000-B1009

O-RING

1шт.

11

708-1L-29340

ORIFICE

SN: A42024--UP

1шт.

12

04020-01024

PIN

1шт.

13

01010-61470

BOLT

4шт.

14

01643-31445

WASHER

4шт.

|$17

708-1W-03930

PLUG ASSEMBLY

1шт.

15

708-1W-45490

PLUG

1шт.

16

720-2M-15430

SEAL

1шт.

17

720-2M-15440

SEAL

1шт.

18

708-1U-11523

CAP, END

1шт.

19

708-1W-42120

BEARING

1шт.

20

708-1U-13461

BALL

SN: A42024--UP

2шт.

21

708-1U-13470

CAM, ROCKER

SN: A42024--UP

1шт.

22

04260-01270

BALL

1шт.

23

708-1W-42150

SHAFT

SN: A42024--UP

1шт.

24

708-1W-42110

BEARING

1шт.

25

708-1W-42140

CASE, SEAL

1шт.

26

708-1W-42130

SEAL, OIL

1шт.

27

07000-B2060

O-RING

1шт.

28

708-1W-05821

SPACER KIT

1шт.

|$32

NSS

SPACER, 2.50 MM

1шт.

|$33

NSS

SPACER, 2.55 MM

1шт.

|$34

NSS

SPACER, 2.60 MM

1шт.

|$35

NSS

SPACER, 2.65 MM

SN: A46001--UP

1шт.

|$36

NSS

SPACER, 2.70 MM

SN: A46001--UP

1шт.

|$37

NSS

SPACER, 2.75 MM

SN: A46001--UP

1шт.

|$38

NSS

SPACER, 2.80 MM

SN: A46001--UP

1шт.

|$39

NSS

SPACER, 2.85 MM

SN: A46001--UP

1шт.

|$40

NSS

SPACER, 2.90 MM

SN: A46001--UP

1шт.

29

04065-06825

RING, SNAP

SN: A46001--UP

1шт.

Выбрано товаров: 42