Запчасти Komatsu WA430-6 H-A ГИДР. НАСОС. ПОГРУЗ. НАСОС (/) заводской номер A-A ГИДРАВЛИКА

Схема запчастей Komatsu WA430-6 - H-A ГИДР. НАСОС. ПОГРУЗ. НАСОС (/) заводской номер A-A ГИДРАВЛИКА
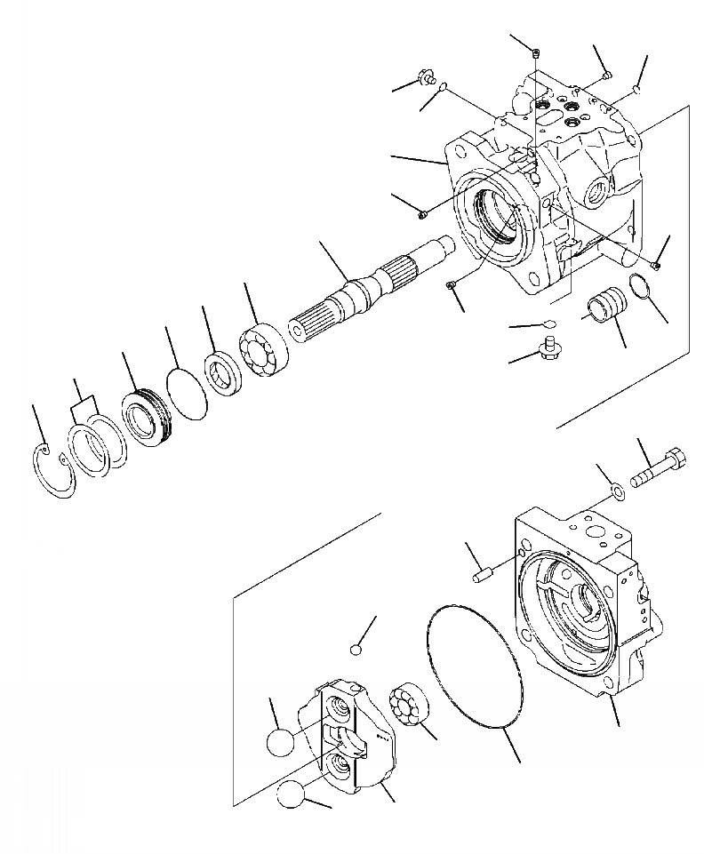
2
2
10
5
6
1
2
2
19
20
22
23
2
8
4
21
3
7
24
25
12
13
11
18
16
14
15
9
16
17
FIT
1:1
100%

Артикул

Название

Примечание

Количество

|$39

PUMP, LOADER (SEE FIG. H0210-01A0)

0

-1шт.

|$1

NSS

PUMP SUBASSEMBLY

SN: A42012-A42023-UP

1шт.

|$40

OR

2

-1шт.

|$3

NSS

PUMP SUBASSEMBLY

SN: A42001-A42011-UP

1шт.

|$4

NSS

CASE ASSEMBLY

1шт.

1

NSS

CASE, PUMP

1шт.

2

NSS

PLUG

5шт.

3

708-1W-44311

SLEEVE

1шт.

4

708-1W-44220

RING

1шт.

5

708-8E-16160

PLUG

1шт.

6

07002-11023

O-RING

1шт.

7

07040-11409

PLUG

1шт.

8

07002-11423

O-RING

1шт.

9

706-73-42370

O-RING

1шт.

10

07000-B1009

O-RING

1шт.

11

04020-01024

PIN

1шт.

12

01010-61470

BOLT

4шт.

13

01643-31445

WASHER

4шт.

14

708-1W-41570

CAP, END

1шт.

15

708-1W-42120

BEARING

1шт.

16

708-3T-13421

BALL

1шт.

17

708-1W-43412

CAM, ROCKER

1шт.

18

04260-01270

BALL

1шт.

19

708-1U-12110

SHAFT

1шт.

20

708-1W-42110

BEARING

1шт.

21

708-1W-42140

CASE, SEAL

1шт.

22

708-1W-42130

SEAL, OIL

1шт.

23

07000-B2060

O-RING

1шт.

24

708-1W-05821

SPACER KIT

1шт.

|$29

NSS

SPACER, 2.50 MM

1шт.

|$30

NSS

SPACER, 2.55 MM

1шт.

|$31

NSS

SPACER, 2.60 MM

1шт.

|$32

NSS

SPACER, 2.65 MM

1шт.

|$33

NSS

SPACER, 2.70 MM

1шт.

|$34

NSS

SPACER, 2.75 MM

1шт.

|$35

NSS

SPACER, 2.80 MM

1шт.

|$36

NSS

SPACER, 2.85 MM

1шт.

|$37

NSS

SPACER, 2.90 MM

1шт.

25

04065-06825

RING

1шт.

|$41

39

-1шт.

|$42

F1 - THIS PART IS SUPPLIED AS PART OF THE ASSEMBLY. HOWEVER, IT IS AVAILABLE AS AN INDIVIDUAL PART TO AUTHORIZED DISTRIBU TORS ONLY.

40

-1шт.

Выбрано товаров: 41