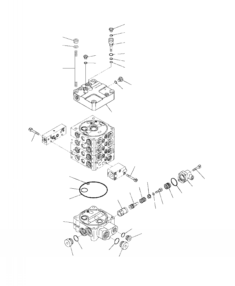
Запчасти Komatsu WA430-6 H-A УПРАВЛЯЮЩ. КЛАПАН 3-Х СЕКЦИОНН., ECSS (/9) ГИДРАВЛИКА

Схема запчастей Komatsu WA430-6 - H-A УПРАВЛЯЮЩ. КЛАПАН 3-Х СЕКЦИОНН., ECSS (/9) ГИДРАВЛИКА
24
25
30
20
29
23
24
21
25
28
22
26
27
19
31
32
4
13
10
7
3
6
11
8
5
2
14
12
9
1
16
15
18
18
17
17
FIT
1:1
100%

Артикул

Название

Примечание

Количество

|$35

CONTROL VALVE ( SEE FIG. H0120-01A1 )

0

-1шт.

|$1

723-50-02401

BLOCK GROUP

1шт.

1

NSS

BLOCK

1шт.

2

144-14-54610

O-RING

1шт.

3

723-56-31730

O-RING

1шт.

4

07000-11010

O-RING

1шт.

5

NSS

SLEEVE

1шт.

6

NSS

PISTON

1шт.

7

723-56-33830

SPRING

1шт.

8

07000-13042

O-RING

1шт.

9

01643-30623

WASHER

1шт.

10

01252-60820

BOLT

2шт.

11

NSS

CASE

1шт.

12

01252-60612

BOLT

1шт.

13

723-56-32970

RETAINER

1шт.

14

NSS

PISTON

1шт.

15

723-26-15230

PLUG

1шт.

16

07002-12434

O-RING

1шт.

17

07040-13316

PLUG

2шт.

18

07002-13334

O-RING

2шт.

|$20

NSS

COVER GROUP

1шт.

19

723-56-11270

COVER

1шт.

20

723-50-11311

PLUG

1шт.

21

07000-11004

O-RING

1шт.

22

07001-01004

RING, BACKUP

1шт.

23

07002-11423

O-RING

1шт.

24

708-8E-16160

PLUG

2шт.

25

07002-11023

O-RING

2шт.

26

07040-11409

PLUG

1шт.

27

07002-11423

O-RING

1шт.

28

723-50-11140

STUD

4шт.

29

01643-31232

WASHER

4шт.

30

01580-11210

NUT

4шт.

31

01252-60840

BOLT

4шт.

32

01252-60860

BOLT

4шт.

Выбрано товаров: 35