Качественные детали и логистика
Оригинальные и аналоговые запчасти с доставкой по России, Казахстану и Беларуси
©2022 PartSell ООО "Система" ИНН 2463123282 ОГРН 1212400004838
Центральный офис: г. Красноярск, Академика Киренского, д.87, пом.4
Телефон: 8 (800) 777-65-74 Email: zakaz@partsell.ru
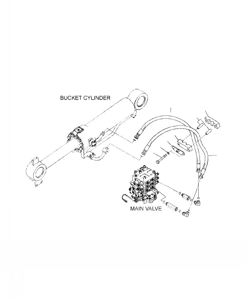
H-A ГИДРОЛИНИЯ ЛИНИЯ ГИДРОЦИЛИНДРА КОВША (3-Х СЕКЦИОНН.)
№
Артикул
Название
Примечание
Количество
1
02777-00616
HOSE
1шт.
2
423-S35-4660
3
423-62-44180
RUBBER
4
423-62-44170
5
423-62-44190
SPACER
2шт.
6
423-62-43650
PLATE
7
01011-D1230
BOLT
8
01643-71232
WASHER
Выбрано товаров: 0