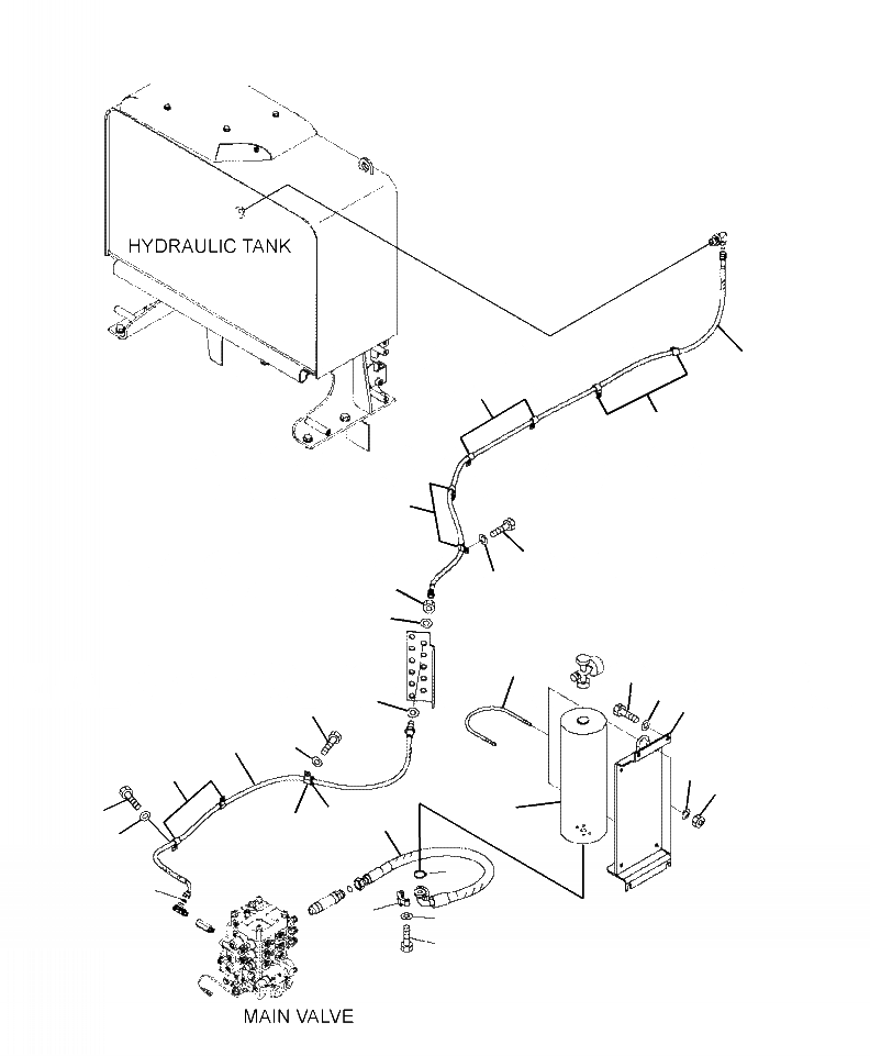
Запчасти Komatsu WA430-6 H-7A ГИДРОЛИНИЯ АККУМУЛЯТОР И УПЛОТНЕНИЕ ДРЕНАЖН. (3-Х СЕКЦИОНН.) ГИДРАВЛИКА

Схема запчастей Komatsu WA430-6 - H-7A ГИДРОЛИНИЯ АККУМУЛЯТОР И УПЛОТНЕНИЕ ДРЕНАЖН. (3-Х СЕКЦИОНН.) ГИДРАВЛИКА
20
21
21
21
22
23
24
25
2
6
7
5
25
17
13
18
4
19
3
1
26
16
8
15
27
12
14
9
11
10
FIT
1:1
100%

Артикул

Название

Примечание

Количество

1

423-S99-3142

ACCUMULATOR ASSEMBLY

1шт.

2

423-S99-3120

CLIP

2шт.

3

01596-01009

NUT

4шт.

4

01643-31032

WASHER

4шт.

5

423-S99-4110

BRACKET

1шт.

6

01010-D1225

BOLT

4шт.

7

01643-71232

WASHER

4шт.

8

423-S99-4120

HOSE

1шт.

9

363-18-31380

FLANGE

2шт.

10

07372-21035

BOLT

4шт.

11

01643-51032

WASHER

4шт.

12

363-18-31390

O-RING

1шт.

13

423-62-43520

HOSE

1шт.

14

02896-11009

O-RING

1шт.

15

04434-52112

CLIP

1шт.

16

07095-20314

CUSHION

1шт.

17

01010-81025

BOLT

1шт.

18

01643-31032

WASHER

1шт.

19

04434-51512

CLIP

2шт.

20

424-62-43860

HOSE

1шт.

21

04434-51512

CLIP

6шт.

22

01010-81020

BOLT

4шт.

23

01643-31032

WASHER

4шт.

24

426-62-35620

NUT

1шт.

25

01643-31845

WASHER

2шт.

26

01010-81020

BOLT

2шт.

27

01643-31032

WASHER

2шт.

Выбрано товаров: 27