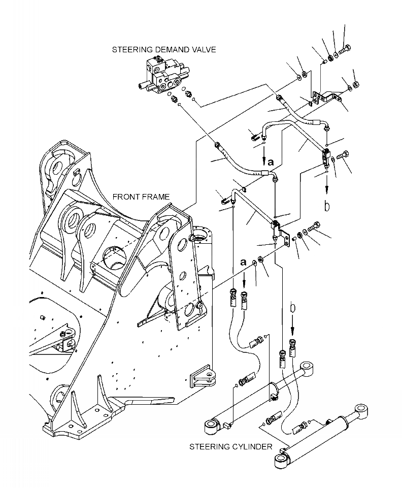
Запчасти Komatsu WA430-6 H-A РУЛЕВ. УПРАВЛЕНИЕ ЛИНИЯ ТРУБЫ ГИДРАВЛИКА

Схема запчастей Komatsu WA430-6 - H-A РУЛЕВ. УПРАВЛЕНИЕ ЛИНИЯ ТРУБЫ ГИДРАВЛИКА
14
10
13
12
11
10
17
18
16
1
9
15
7
8
3
2
16
4
8
5
15
8
7
6
14
8
10
13
12
11
10
FIT
1:1
100%

Артикул

Название

Примечание

Количество

1

02757-005A4

HOSE

1шт.

2

02757-005A5

HOSE

1шт.

3

423-62-41112

TUBE

1шт.

4

01010-81025

BOLT

2шт.

5

01643-31032

WASHER

2шт.

6

423-62-41120

TUBE

1шт.

7

02896-11015

O-RING

2шт.

8

02896-11012

O-RING

4шт.

9

423-62-41130

BRACKET

1шт.

10

415-64-13120

WASHER, FLAT

8шт.

11

415-64-13130

CUSHION

4шт.

12

417-54-13470

SPACER

4шт.

13

419-43-17930

CUSHION

4шт.

14

01010-81055

BOLT

4шт.

15

07283-32236

CLIP

2шт.

16

07283-52232

SEAT

2шт.

17

01597-01009

NUT

4шт.

18

01643-31032

WASHER

4шт.

Выбрано товаров: 18