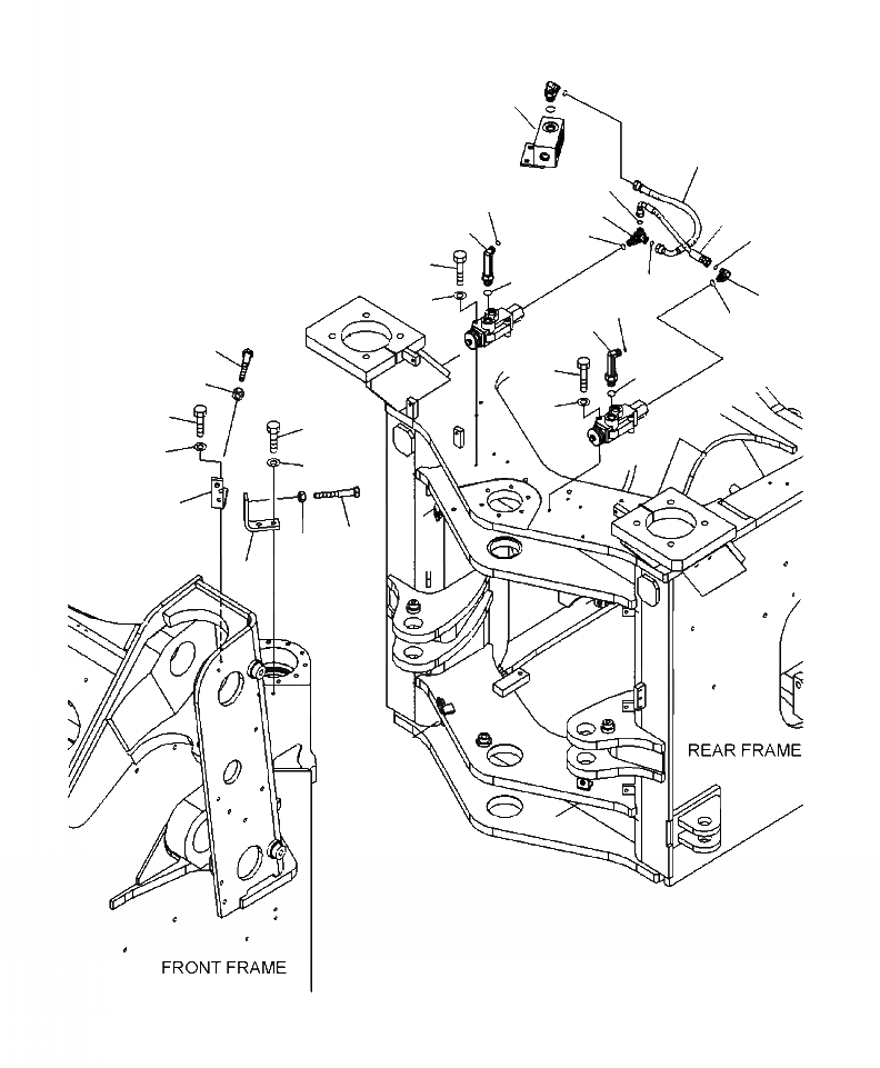
Запчасти Komatsu WA430-6 H-A РУЛЕВ. УПРАВЛЕНИЕ ЛИНИЯ КЛАПАН ОСТАНОВКИ КРЕПЛЕНИЕ ГИДРАВЛИКА

Схема запчастей Komatsu WA430-6 - H-A РУЛЕВ. УПРАВЛЕНИЕ ЛИНИЯ КЛАПАН ОСТАНОВКИ КРЕПЛЕНИЕ ГИДРАВЛИКА
20
9
6
12
4
8
10
5
3
18
11
7
1
19
12
10
2
16
18
11
17
19
14
14
15
15
13
16
17
13
FIT
1:1
100%

Артикул

Название

Примечание

Количество

1

02782-10210

ELBOW

1шт.

2

07002-11423

O-RING

1шт.

3

02896-11008

O-RING

1шт.

4

20Y-62-45710

TEE

1шт.

5

07002-11423

O-RING

1шт.

6

02896-11009

O-RING

1шт.

7

02896-11008

O-RING

1шт.

8

423-62-41730

HOSE

1шт.

9

423-62-41750

HOSE

1шт.

10

02782-10317

ELBOW

2шт.

11

07002-12034

O-RING

2шт.

12

02896-11009

O-RING

2шт.

13

423-62-41320

PLATE

2шт.

14

01010-81030

BOLT

4шт.

15

01643-31032

WASHER

4шт.

16

421-62-12320

BOLT

2шт.

17

01580-11210

NUT

2шт.

18

01010-80865

BOLT

6шт.

19

01643-30823

WASHER

6шт.

20

BLOCK ( SEE FIG. K4460-08A0 )

-1шт.

Выбрано товаров: 20