Качественные детали и логистика
Оригинальные и аналоговые запчасти с доставкой по России, Казахстану и Беларуси
©2022 PartSell ООО "Система" ИНН 2463123282 ОГРН 1212400004838
Центральный офис: г. Красноярск, Академика Киренского, д.87, пом.4
Телефон: 8 (800) 777-65-74 Email: zakaz@partsell.ru
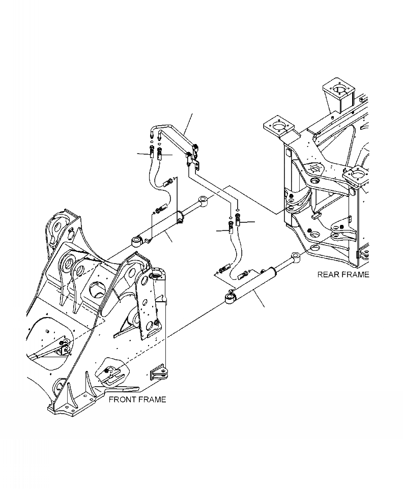
J-A ЦИЛИНДР РУЛЕВ. УПР-Я ПАТРУБКИ ЦИЛИНДРА РУЛЕВ. УПРАВЛ-Я
№
Артикул
Название
Примечание
Количество
1
707-00-0G780
CYLINDER ASSEMBLY
2шт.
2
424-62-41210
HOSE
3
423-62-43870
4
TUBE ( SEE FIG. H4410-01A0 )
-1шт.
Выбрано товаров: 0