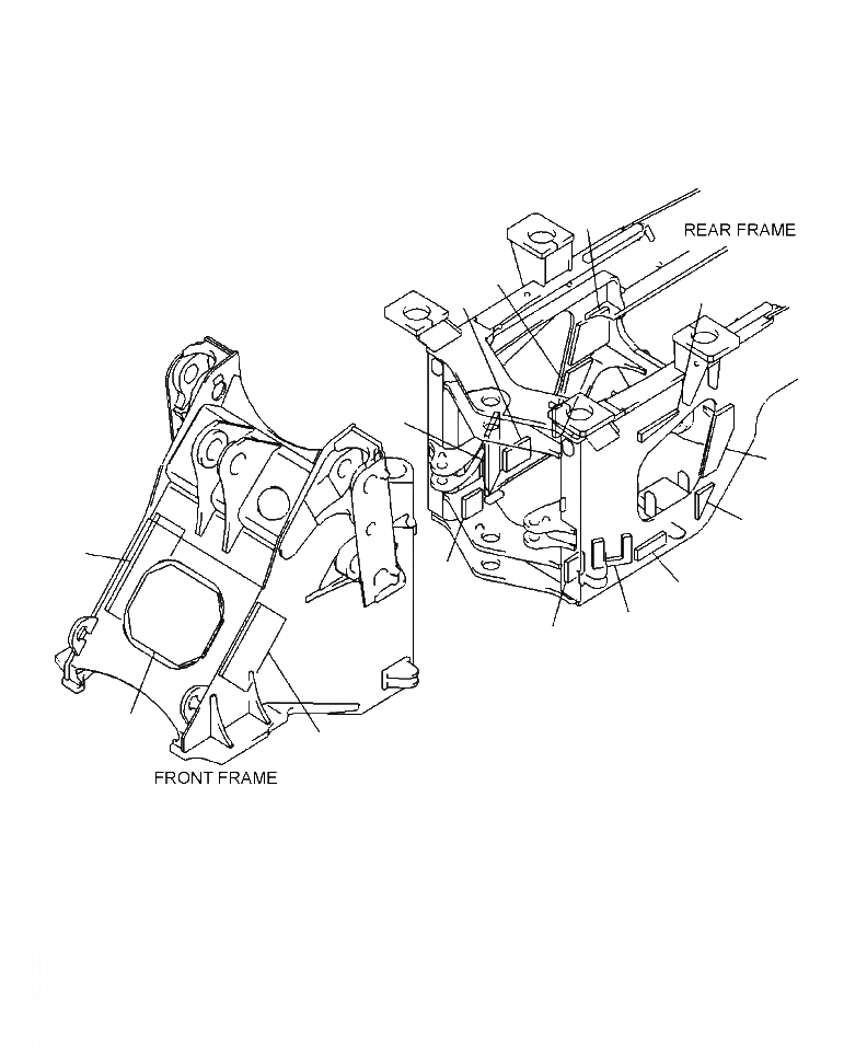
Запчасти Komatsu WA430-6 J9-A БЛОКИР. ШАНГА И КРЫШКАЩИТКИ (2-Х СЕКЦИОНН.) ОСНОВНАЯ РАМА И ЕЕ ЧАСТИ

Схема запчастей Komatsu WA430-6 - J9-A БЛОКИР. ШАНГА И КРЫШКАЩИТКИ (2-Х СЕКЦИОНН.) ОСНОВНАЯ РАМА И ЕЕ ЧАСТИ
6
7
11
13
9
5
8
3
4
12
10
4
1
2
FIT
1:1
100%

Артикул

Название

Примечание

Количество

1

423-46-34890

SHEET

1шт.

2

423-46-34910

SHEET, FRONT FRAME, L.H.

1шт.

3

423-46-44910

SHEET

1шт.

4

423-46-34920

SHEET

2шт.

5

423-46-34930

SHEET, REAR FRAME, SIDE

1шт.

6

423-46-34940

SHEET, REAR FRAME, SIDE

1шт.

7

424-46-44950

SHEET

1шт.

8

423-46-44870

SHEET

1шт.

9

423-46-34970

SHEET, REAR FRAME, R.H.

1шт.

10

423-46-44880

SHEET

1шт.

11

423-46-34650

SHEET, REAR FRAME, SIDE

1шт.

12

423-46-34991

SHEET, REAR FRAME, SIDE

1шт.

13

424-46-44990

SHEET

1шт.

Выбрано товаров: 13