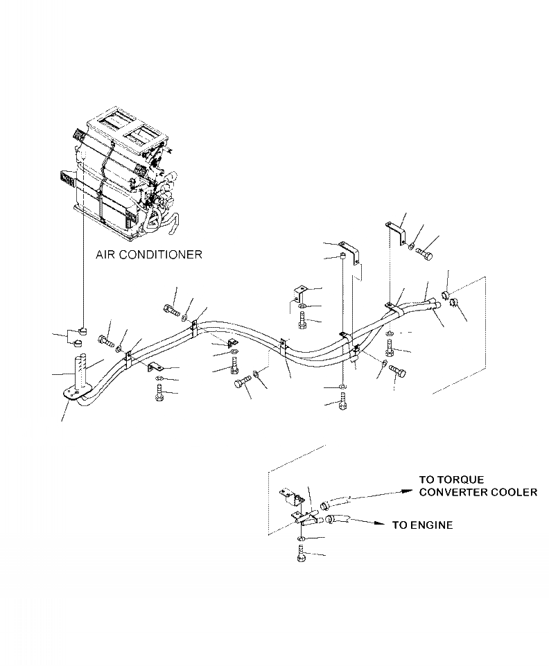
Запчасти Komatsu WA430-6 K-9A КАБИНА ROPS ГИДР. ПРОВОД. ОБОГРЕВАТЕЛЯ OPERATORXD S ОБСТАНОВКА И СИСТЕМА УПРАВЛЕНИЯ

Схема запчастей Komatsu WA430-6 - K-9A КАБИНА ROPS ГИДР. ПРОВОД. ОБОГРЕВАТЕЛЯ OPERATORXD S ОБСТАНОВКА И СИСТЕМА УПРАВЛЕНИЯ
13
22
21
13
18
23
2
21
19
10
22
19
12
21
22
11
23
15
19
3
1
7
14
9
1
4
8
2
20
6
19
17
22
5
22
21
16
21
27
24
26
25
FIT
1:1
100%

Артикул

Название

Примечание

Количество

1

423-S62-4141

HOSE

1шт.

2

423-S62-4151

HOSE

1шт.

3

09479-02400

CLAMP

2шт.

4

423-S62-4310

PLATE

1шт.

5

01010-81020

BOLT

1шт.

6

01643-31032

WASHER

1шт.

7

42A-16-11210

PLATE

1шт.

8

01010-81020

BOLT

1шт.

9

01643-31032

WASHER

1шт.

10

426-Z91-2170

PLATE

1шт.

11

01010-81020

BOLT

1шт.

12

01643-31032

WASHER

1шт.

13

424-S62-4280

BRACKET

2шт.

14

01010-81020

BOLT

1шт.

15

01643-31032

WASHER

1шт.

16

01010-81035

BOLT

1шт.

17

01643-31032

WASHER

1шт.

18

201-03-29160

SPACER

1шт.

19

421-07-11550

CLIP

4шт.

20

04434-52310

CLIP

1шт.

21

01010-81025

BOLT

5шт.

22

01643-31032

WASHER

5шт.

23

09479-02400

CLAMP

2шт.

24

423-S62-4342

BRACKET

1шт.

25

01010-81025

BOLT

2шт.

26

01643-31032

WASHER

2шт.

27

423-07-41721

GROMMET

1шт.

Выбрано товаров: 27