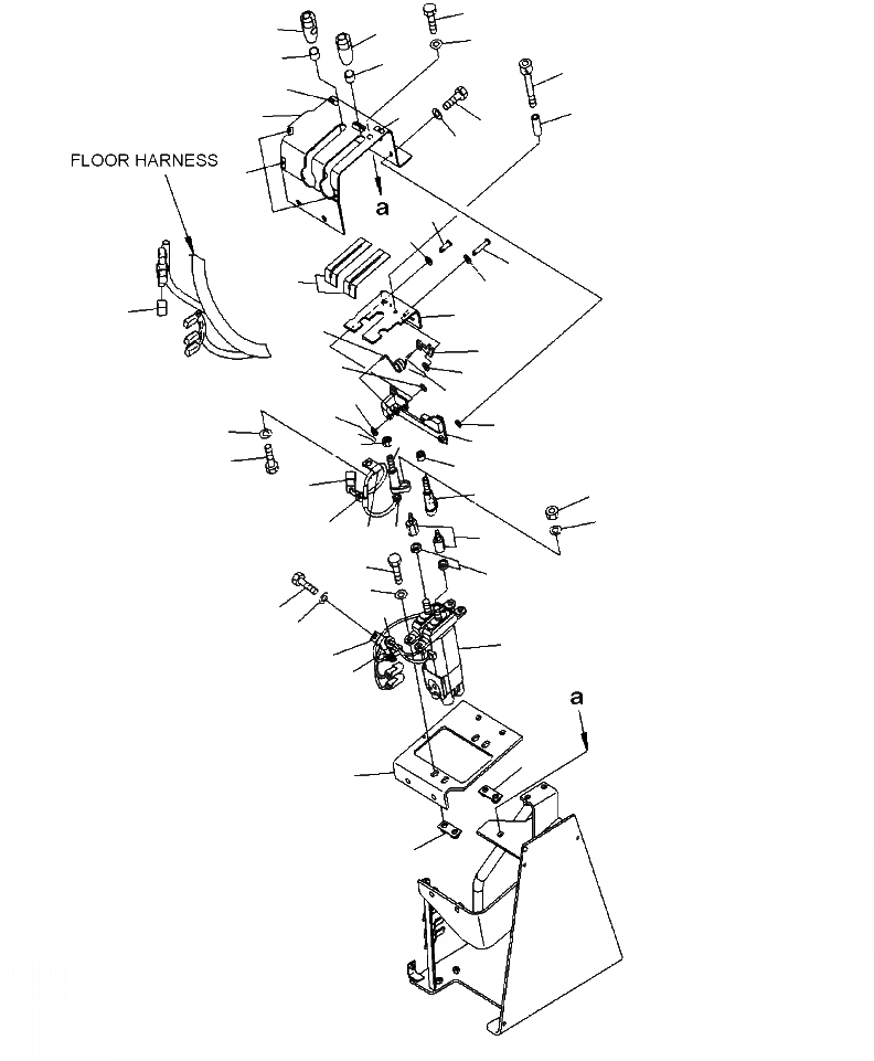
Запчасти Komatsu WA430-6 K-A УПРАВЛЕНИЕ ПОГРУЗКОЙ РЫЧАГ (2-Х СЕКЦИОНН., СТАНДАРТН.) OPERATORXD S ОБСТАНОВКА И СИСТЕМА УПРАВЛЕНИЯ

Схема запчастей Komatsu WA430-6 - K-A УПРАВЛЕНИЕ ПОГРУЗКОЙ РЫЧАГ (2-Х СЕКЦИОНН., СТАНДАРТН.) OPERATORXD S ОБСТАНОВКА И СИСТЕМА УПРАВЛЕНИЯ
32
17
14
33
9
18
35
28
34
28
29
47
48
28
43
44
39
31
41
49
30
38
36
46
40
44
42
45
46
24
13
12
37
25
15
10
21
16
22
23
19
2
20
3
5
7
8
1
6
4
27
26
27
11
23
FIT
1:1
100%

Артикул

Название

Примечание

Количество

1

VALVE ASSEMBLY, 2-SPOOL STANDARD PILOT ( SEE FIG. K4202-01A1 )

-1шт.

2

01010-81030

BOLT

4шт.

3

01643-31032

WASHER

4шт.

4

04434-51712

CLIP

1шт.

5

07095-20211

CUSHION

1шт.

6

04434-50510

CLIP

1шт.

7

01010-81016

BOLT

2шт.

8

01643-31032

WASHER

2шт.

|$8

423-43-48240

LEVER ASSEMBLY

1шт.

9

421-43-38430

COLLAR

1шт.

10

08192-24810

CONNECTOR

1шт.

11

23S-43-51230

GROMMET

1шт.

12

23S-43-31550

NUT

1шт.

13

421-43-37591

LEVER

1шт.

14

423-43-48261

SWITCH ASSEMBLY

1шт.

N/I

421-43-38512

BODY ASSEMBLY

1шт.

N/I

421-43-38590

SWITCH ASSEMBLY

1шт.

N/I

421-43-38522

CAP

1шт.

N/I

421-43-38530

SPACER

1шт.

N/I

421-43-38540

SPRING

1шт.

N/I

421-43-38550

CAP

1шт.

N/I

421-43-38560

RING

1шт.

N/I

421-43-38570

PLUNGER

1шт.

N/I

421-43-38580

O-RING

1шт.

N/I

421-43-38740

STOPPER

1шт.

|$25

421-43-38142

LEVER ASSEMBLY

1шт.

15

23S-43-31550

NUT

1шт.

16

421-43-37591

LEVER

1шт.

17

421-43-38332

KNOB

1шт.

18

421-43-38430

COLLAR

1шт.

19

23S-43-51111

LEVER

2шт.

20

23S-43-51240

NUT

2шт.

21

01580-10806

NUT

2шт.

22

01643-50823

WASHER

2шт.

23

04434-50610

CLIP

2шт.

24

01010-80816

BOLT

2шт.

25

01643-30823

WASHER

2шт.

26

423-43-48171

BRACKET

1шт.

27

423-43-48440

BRACKET

2шт.

28

421-09-21420

SHEET, ADHESIVE RUBBER

5шт.

29

421-43-48121

COVER

1шт.

30

423-43-48193

PLATE

1шт.

31

423-43-48720

AWNING

4шт.

32

01010-81030

BOLT

4шт.

33

01643-31032

WASHER

4шт.

34

423-43-48130

PIPE

1шт.

35

01252-70650

BOLT

1шт.

36

423-43-48452

PLATE

1шт.

37

423-43-48231

BRACKET

1шт.

38

423-43-48430

SPRING

1шт.

39

04205-10630

PIN

1шт.

40

01643-20623

WASHER

1шт.

41

01640-20610

WASHER

2шт.

42

04050-11612

PIN

1шт.

43

04205-10618

PIN

1шт.

44

01640-20610

WASHER

2шт.

45

04050-11612

PIN

1шт.

46

425-15-14240

SHIM, 0.5 MM

2шт.

47

01010-80820

BOLT

2шт.

48

01643-30823

WASHER

2шт.

49

423-06-45620

CONNECTOR

1шт.

Выбрано товаров: 0